10 Alimentation en gaz des mini-chaufferies gaz, des chaufferies gaz et autres installations de production de chaleur et/ou de froid à combustion
10.1 Alimentation en gaz des mini-chaufferies gaz
La définition de la mini-chaufferie gaz est donnée au paragraphe 3.58 de la norme NF DTU 61.1 P1.
NOTE 2 La mini-chaufferie gaz peut également contenir des appareils de production de froid à combustion.
10.1.1 Mode d'alimentation en gaz
L'alimentation en gaz de la mini-chaufferie gaz doit être réalisée selon l'une des conditions suivantes :
par un branchement individuel,
-
par un branchement particulier réalisé en dérivation :
sur une conduite d'immeuble alimentant une ou plusieurs conduites montantes ou tiges cuisines,
ou sur une conduite montante.
par alimentation directe à partir d'un récipient d'hydrocarbures liquéfiés. Dans ce cas et sauf indications contraires, les prescriptions relatives à l'alimentation par un branchement individuel s'appliquent.
Dans le cas d'une mini-chaufferie gaz située en terrasse, en combles ou en étage non surmonté d'étages habités ou occupés, l'alimentation doit être réalisée selon l'une des conditions suivantes :
par un branchement individuel alimentant une conduite placée soit à l'extérieur soit à l'intérieur du bâtiment,
par un branchement particulier sur conduite d'immeuble, ce branchement s'effectue au rez-de-chaussée ou au sous-sol selon l'emplacement de la conduite d'immeuble,
par un branchement particulier sur conduite montante, ce branchement s'effectue en partie haute sur la conduite montante au plus près de la mini-chaufferie à alimenter.
Dans le cas d'une mini-chaufferie gaz située au rez-de-chaussée ou en sous sol, l'alimentation doit être réalisée selon l'une des conditions suivantes :
par un branchement individuel alimentant une conduite pénétrant ou non directement dans la mini-chaufferie,
par un branchement particulier sur conduite d'immeuble, ce branchement s'effectue au rez-de-chaussée ou au sous-sol selon l'emplacement de la conduite d'immeuble,
par un branchement particulier sur conduite montante ; ce branchement s'effectue en partie basse sur la conduite montante au plus près de la mini-chaufferie à alimenter.
Pour l'alimentation des mini-chaufferies situées en sous-sol des bâtiments et alimentées par un branchement individuel, la pénétration dans le bâtiment, si elle est nécessaire, doit être exclusivement située :
soit en rez-de-chaussée,
soit au premier étage du sous-sol.
Dans le cas d'une mini-chaufferie gaz située à un niveau autre que ceux cités ci avant, l'alimentation doit être réalisée selon l'une des conditions suivantes :
par un branchement individuel alimentant une conduite placée soit à l'extérieur soit à l'intérieur du bâtiment et pénétrant ou non directement dans la mini-chaufferie,
par un branchement particulier sur conduite d'immeuble ce branchement s'effectue au rez-de-chaussée ou au sous-sol selon l'emplacement de la conduite d'immeuble,
par un branchement particulier sur conduite montante ; ce branchement s'effectue sur la conduite montante au plus près de la mini-chaufferie à alimenter.
10.1.2 Organes de coupure
Outre les organes de coupure de sécurité visés ci après, d'autres organes de coupure peuvent être, à la demande du distributeur de gaz, mis en place pour des besoins d'exploitation.
Par exemple, un robinet peut être placé en pied de conduite alimentant, à partir d'une conduite montante, une mini-chaufferie gaz en terrasse.
10.1.2.1 Alimentation par branchement individuel
10.1.2.1.1 Organe de coupure de branchement
Le branchement individuel alimentant la mini-chaufferie gaz doit être muni d'un organe de coupure à fermeture rapide satisfaisant aux prescriptions du paragraphe 4.1 du présent document.
Cet organe de coupure a les mêmes fonctions et satisfait aux mêmes prescriptions que l'organe de coupure imposé à l'article 13 (1°, premier alinéa) de l'arrêté du 2 août 1977 modifié.
NOTE 2 Le choix du type d'organe de coupure et son emplacement appartiennent au distributeur. Les éventuelles difficultés pouvant être rencontrées pour placer l'organe de coupure sont réglées en accord avec lui.
10.1.2.1.2 Organe de coupure spécifique mini-chaufferie
Avant son point d'entrée dans la mini-chaufferie, la conduite d'alimentation doit comporter un organe de coupure spécifique (vanne, robinet ou obturateur).
Cet organe de coupure spécifique doit être :
signalé,
accessible en permanence,
facilement manoeuvrable,
muni d'un moyen d'identification indélébile.
Une plaque signalétique portant la mention " coupure gaz mini-chaufferie " placée à proximité de l'organe de coupure satisfait aux exigences de signalisation et d'identification.
Il est interdit de placer l'organe de coupure spécifique à l'intérieur du sas d'isolement lorsque ce sas est obligatoire.
Dans le cas de mini-chaufferie gaz située au rez-de-chaussée ou en sous-sol, cet organe de coupure spécifique peut être confondu avec l'organe de coupure visé au paragraphe 10.1.2.1.1 du présent document, si ce dernier est situé dans un coffret (enterré ou en façade) ou dans un regard et que, depuis ce coffret ou regard, la canalisation pénètre directement de l'extérieur, dans la mini-chaufferie gaz.
Dans les autres cas, l'organe de coupure spécifique doit être installé avant le point de pénétration de la canalisation en mini-chaufferie gaz et être situé au même niveau que cette dernière.
Cet organe de coupure situé à un demi-niveau inférieur ou supérieur à la mini-chaufferie gaz est considéré comme étant au même niveau que celle-ci.
Si ces conditions d'implantation ne peuvent pas être respectées, l'organe de coupure spécifique peut être installé à l'intérieur de la mini-chaufferie gaz, à condition qu'il soit manoeuvrable de l'extérieur et par un dispositif situé au même niveau que cette dernière.
Ce dispositif de manoeuvre peut par exemple être mécanique ou électrique.
Dans le cas particulier d'une mini-chaufferie gaz implantée en combles ou en terrasse et accessible uniquement par une trappe d'accès, l'organe de coupure spécifique doit être implanté :
soit à l'extérieur de la mini-chaufferie gaz et au niveau donnant accès à cette trappe,
soit à l'intérieur de la mini-chaufferie gaz à condition qu'il soit manoeuvrable de l'extérieur et que le dispositif de manoeuvre soit situé au niveau donnant accès à cette trappe.
Ce dispositif de manoeuvre peut par exemple être mécanique ou électrique.
10.1.2.2 Alimentation par branchement particulier
10.1.2.2.1 Organe de coupure de branchement
Le branchement particulier réalisé en dérivation sur une conduite d'immeuble ou sur une conduite montante alimentant la mini-chaufferie gaz doit être muni d'un organe de coupure satisfaisant aux prescriptions du paragraphe 4.5.2 du présent document.
Cet organe de coupure a les mêmes fonctions et satisfait aux mêmes prescriptions que l'organe de coupure imposé à l'article 13 (2°, premier alinéa) de l'arrêté du 2 août 1977 modifié.
NOTE 2 Le choix du type d'organe de coupure et son emplacement appartiennent au distributeur. Les éventuelles difficultés pouvant être rencontrées pour placer l'organe de coupure seront réglées en accord avec lui.
Cet organe de coupure doit être :
signalé,
accessible en permanence,
facilement manoeuvrable,
muni d'un moyen d'identification indélébile.
Une plaque signalétique portant la mention " coupure gaz mini-chaufferie " placée à proximité de l'organe de coupure satisfait aux exigences de signalisation et d'identification.
10.1.2.2.2 Organe de coupure spécifique mini-chaufferie
Il est interdit de placer l'organe de coupure spécifique à l'intérieur du sas d'isolement lorsque ce sas est obligatoire.
Lorsque l'organe de coupure visé au paragraphe 10.1.2.2.1 du présent document est situé à un niveau différent de la mini-chaufferie gaz, la conduite d'alimentation doit, en plus, comporter un organe de coupure spécifique.
Cet organe de coupure spécifique doit être installé avant le point de pénétration de la canalisation en mini-chaufferie gaz et être situé au même niveau que cette dernière.
Un organe de coupure décrit au paragraphe 10.1.2.2.1 du présent document situé à un demi-niveau inférieur ou supérieur à la mini-chaufferie gaz est considéré comme étant au même niveau que celle-ci.
Si ces conditions d'implantation ne peuvent pas être respectées, l'organe de coupure spécifique peut être installé à l'intérieur de la mini-chaufferie gaz, à condition qu'il soit manoeuvrable de l'extérieur par un dispositif situé au même niveau que cette dernière.
Ce dispositif de manoeuvre peut par exemple être mécanique ou électrique
L'organe de coupure spécifique doit être :
signalé,
accessible en permanence,
facilement manoeuvrable,
muni d'un moyen d'identification indélébile.
Une plaque signalétique portant la mention " coupure gaz mini-chaufferie " placée à proximité de l'organe de coupure satisfait aux exigences de signalisation et d'identification.
Dans le cas particulier d'une mini-chaufferie gaz implantée en combles ou en terrasse, accessible directement par une trappe et dont l'organe de coupure visé au paragraphe 10.1.2.2.1 du présent document n'est pas placé au niveau du palier donnant accès à celle-ci, un organe de coupure spécifique doit être implanté :
soit à l'extérieur de la mini-chaufferie gaz et au niveau donnant accès à cette trappe,
soit à l'intérieur de la mini-chaufferie gaz à condition qu'il soit manoeuvrable de l'extérieur et que le dispositif de manoeuvre soit situé au niveau donnant accès à cette trappe.
Ce dispositif de manoeuvre peut par exemple être mécanique ou électrique.
Par contre, si l'organe de coupure visé au paragraphe 10.1.2.2.1 du présent document est placé au niveau du palier donnant accès à la trappe desservant la mini-chaufferie gaz, l'organe de coupure spécifique n'est pas nécessaire.
10.1.2.3 Alimentation directe à partir d'un récipient d'hydrocarbures liquéfiés
Les dispositions du paragraphe 10.1.2.1 du présent document sont applicables dans le cas d'une alimentation de mini-chaufferie à partir de récipients d'hydrocarbures liquéfiés.
Toutefois, lorsqu'un récipient d'hydrocarbures liquéfiés unique alimente exclusivement une mini-chaufferie et lorsque celle ci est placée à moins de 20 mètres du récipient d'hydrocarbures liquéfiés, le robinet du récipient peut tenir lieu d'organe de coupure générale décrit au paragraphe 4.1 du présent document.
10.1.3 Conduites d'alimentation et accessoires
Les conduites d'alimentation des mini-chaufferies gaz ainsi que leurs accessoires doivent satisfaire aux conditions générales de pose indiquées aux articles 4 et 5 de la norme NF DTU 61.1 P2 ainsi qu'aux prescriptions suivantes. Les conduites d'alimentation des mini-chaufferies gaz doivent être réalisées par des ouvriers munis d'une attestation d'aptitude professionnelle spécifique du mode d'assemblage du matériau concerné. Cette obligation s'applique également pour l'assemblage par électrosoudage des conduites en polyéthylène enterrées à l'extérieur des bâtiments et alimentant des mini-chaufferies gaz.
10.1.3.1 Emplacement des conduites d'alimentation
10.1.3.1.1 Dispositions générales
Le passage d'une conduite d'alimentation d'une mini-chaufferie gaz à l'intérieur d'un logement est interdit.
La conduite d'alimentation d'une mini-chaufferie gaz peut être installée enterrée, incorporée ou en élévation, hors de l'immeuble ou dans l'immeuble. Elle doit suivre un parcours simple ne comportant que des changements de direction imposés par la disposition des lieux.
Pour la partie située avant compteur, l'incorporation de tout ou partie de cette conduite ne pourra s'effectuer qu'en accord avec le distributeur et dans les conditions définies au paragraphe 5.3.4 de la norme NF DTU 61.1 P2.
Dans sa partie horizontale, la conduite d'alimentation d'une mini-chaufferie gaz doit être installée en parties communes, ventilées ou au moins aérées.
Elle peut traverser ou emprunter :
les dégagements collectifs horizontaux (circulation des sous-sols, du rez-de-chaussée ou des étages),
les parcs de stationnement couverts, annexe de bâtiments d'habitation,
les galeries ou locaux techniques,
les locaux communs,
les dégagements collectifs verticaux tels que : escalier à l'air libre ou non encloisonné.
Dans le cas où le passage de la conduite d'alimentation d'une mini-chaufferie gaz ne peut respecter sur tout son parcours, les prescriptions ci-dessus, elle peut traverser une dépendance (cave ou local privé, par exemple) à la condition d'être placée sous fourreau métallique continu étanche débouchant librement à une extrémité au moins dans un espace ventilé ou aéré.
Dans sa partie verticale, la conduite d'alimentation d'une mini-chaufferie gaz doit être installée sur tout son parcours en parties communes, ventilées ou au moins aérées.
Elle peut traverser ou emprunter :
les dégagements collectifs horizontaux (circulation du rez-de-chaussée ou des étages),
les locaux techniques d'étage,
les locaux communs,
les dégagements collectifs verticaux tels que : escalier à l'air libre ou non encloisonné.
10.1.3.1.2 Dispositions particulières à l'alimentation par conduites intérieures
Le passage des conduites d'alimentation de la mini-chaufferie à l'intérieur d'un escalier " protégé à l'abri des fumées " est interdit.
L'escalier dit protégé à l'abri des fumées est défini aux articles 27 et 29 de l'arrêté du 31 janvier 1986relatif à la protection des bâtiments d'habitation contre l'incendie. Il est rendu obligatoire dans les immeubles de 3e famille B et de 4e famille au sens de l'article 3 de ce même arrêté.
10.1.3.1.2.1 Alimentation par conduites intérieures en immeubles neufs
Les conduites d'alimentation situées à l'intérieur des immeubles neufs doivent être installées en respectant l'une des conditions suivantes :
dans une gaine pour conduite montante, que cette gaine comporte ou non des compteurs, détendeurs ou organes de coupure (voir article 7 de la norme NF DTU 61.1 P5),
dans une gaine d'immeuble répondant aux prescriptions des gaines d'immeubles pour tiges après compteur (voir article 8 de la norme NF DTU 61.1 P5),
-
par dérogation au paragraphe 5.3.3.1.2.3 de la norme NF DTU 61.1 P2, dans une gaine commune aux canalisations d'eau (en charge ou non) et/ou aux conduits d'extraction de VMC, sous réserve que la conduite ne comporte aucun accessoire tel que : organe de coupure, raccord mécanique, etc.
NOTE 1Les gaines visées aux 3 alinéas ci-dessus doivent être conformes à l'arrêté du 31 janvier 1986 relatif à la protection des bâtiments d'habitation contre l'incendie (articles 50 à 56).
-
dans un coffrage à condition d'être réalisées en tubes d'acier assemblés par soudage et accessible à partir d'un dégagement collectif ventilé ou au moins aéré.
NOTE 2Pour la partie située avant compteur si elle existe, l'emplacement de la canalisation, ainsi que ses conditions de passage seront définies en accord avec le distributeur.
10.1.3.1.2.2 Alimentation par conduites intérieures en immeubles existants
Les conduites d'alimentation des mini-chaufferies gaz en immeubles existants doivent être posées en respectant l'une des conditions suivantes :
placées dans les conditions prévues pour les immeubles neufs et décrites au paragraphe 10.1.3.1.2.1. du présent document,
-
sous dispositif de protection mécanique permettant l'aération,
NOTEUn tel dispositif de protection peut être réalisé par un métal déployé, un coffre ajouré, une goulotte métallique, un fourreau métallique, etc.
en apparent, sans dispositif de protection mécanique, à condition d'être réalisées en tubes d'acier et disposées dans des dégagements collectifs ventilés ou au moins aérés (cage d'escalier non encloisonnée, coursive, palier, hall d'entrée, etc.).
10.1.3.1.3 Dispositions particulières à l'alimentation par conduites extérieures
La partie verticale des conduites placées à l'extérieur doit respecter les règles de mise en oeuvre applicables aux conduites extérieures alimentant les chaufferies en terrasse décrites au paragraphe 10.2.3.2 du présent document.
Pour la partie située avant compteur, l'emplacement de la canalisation et le choix des matériaux seront définis en accord avec le distributeur.
Avant de pénétrer dans la mini-chaufferie gaz, la conduite d'alimentation peut traverser un volume non habitable si celui-ci est accessible et ventilé.
Dans le cas où ce volume est non accessible et/ou non ventilé, le passage d'une tuyauterie de gaz est admis sous réserve qu'elle soit placée sous fourreau acier continu. L'extrémité de celui-ci débouchant à l'intérieur du bâtiment doit être obturée. L'autre extrémité du fourreau doit déboucher exclusivement à l'extérieur et à l'air libre.
10.1.3.1.4 Dispositions particulières à l'alimentation par conduites implantées dans les parcs de stationnement couverts annexes de bâtiments d'habitation
La traversée d'un parc de stationnement couvert, annexe de bâtiments d'habitation par la conduite d'alimentation d'une mini-chaufferie gaz est autorisée :
soit si la conduite d'alimentation respecte les prescriptions applicables aux conduites d'alimentation des chaufferies décrites au paragraphe 10.2.4.3 du présent document,
-
soit si la conduite d'alimentation répond simultanément aux conditions suivantes :
la pression véhiculée dans la conduite d'alimentation est inférieure ou égale à 400 mbar (MPA) ;
la conduite est réalisée en tubes d'acier assemblés par soudage ;
à l'intérieur du volume du parc, la conduite ne comporte aucun accessoire tel que : organe de coupure, raccord mécanique, etc. ;
la conduite est placée dans les zones piétonnes ou de circulation, hors des zones de remisage des véhicules. Lorsque la pénétration dans le parc de stationnement ou la remontée de la conduite se trouve à la verticale d'un emplacement de stationnement, le passage de la partie de la canalisation vers ou depuis la zone de circulation est toléré, au droit d'un, voire deux emplacements contigus, s'il est mis en place un écran thermique protecteur dépassant de 20 cm de part et d'autre de la conduite ;
la conduite est placée généralement au moins à deux mètres de hauteur, hors d'atteinte des véhicules et dans la mesure du possible en angle de murs et de plafond ou de poutres et plafonds. Dans les autres cas, la conduite est installée conformément au paragraphe 5.3.3.4.de la norme NF DTU 61.1 P2 ;
la conduite est identifiée conformément au paragraphe 4.8.3 de la norme NF DTU 61.1 P2.
NOTELa présence de conduites de gaz doit être signalée sur le plan de situation du parc tel que défini au paragraphe 4.2 de la norme NF DTU 61.1 P6.
10.1.3.1.5 Dispositions particulières à l'alimentation par conduites franchissant un bâtiment :
Les conduites d'alimentation des mini-chaufferies peuvent emprunter les passages ouverts d'une façon permanente sur l'extérieur ou les passages destinés au franchissement du bâtiment. Dans ce cas, elles doivent respecter les prescriptions relatives à la traversée des bâtiments décrites au paragraphe 5.3.5 de la norme NF DTU 61.1 P2.
Le fait d'emprunter des passages ouverts de façon permanente ou destinés au franchissement du bâtiment ne constitue pas une pénétration du bâtiment.
10.1.3.2 Diamètres des conduites d'alimentation
Le diamètre intérieur des conduites est déterminé en fonction de la pression effective du gaz et du débit maximum prévisionnel à satisfaire.
Voir la norme NF DTU 61.1 P7.
10.1.3.3 Organes de coupure terminaux des tuyauteries fixes desservant les générateurs
Tout générateur doit être commandé par un robinet ou un organe d'obturation jouant le même rôle conformément aux dispositions du paragraphe 9.3 du présent document. De plus, les robinets conformes à la norme XP E 29-141 sont admis.
Un robinet d'essai bouchonné conforme à la norme XP E 29-141 doit être prévu dans le local.
Ce robinet peut assurer la fonction de purge
10.1.3.4 Alimentation en gaz des générateurs
Les générateurs installés dans les mini-chaufferies gaz doivent être raccordés à la canalisation d'alimentation en gaz :
soit par des canalisations rigides,
soit par des tuyaux flexibles métalliques,
Les tuyaux flexibles métalliques sont soit conformes aux normes, soit peuvent bénéficier d'un agrément ministériel conformément au paragraphe 4.6.2.6.1 de la norme NF DTU 61.1 P2.
10.2 Alimentation en gaz des chaufferies gaz
La définition de la chaufferie gaz est donnée au paragraphe 3.18 de la norme NF DTU 61.1 P1.
NOTE 2 Voir également l'article 8 de l'arrêté du 2 août 1977 modifié.
L'alimentation d'une installation individuelle comprenant un ou des générateurs alimentés en gaz, de puissance calorifique totale supérieure à 85 kW et destinés à assurer le chauffage et/ou la production d'eau chaude sanitaire n'est pas soumise aux prescriptions de cet article, mais doit être réalisée conformément à l'article 9 du présent document.
Les dispositions particulières applicables aux conduites d'alimentation des chaufferies et aux organes accessoires à celles-ci de l'arrêté du 2 août 1977 modifié (article 8) ne sont pas applicables à l'alimentation d'une installation individuelle.
10.2.1 Mode d'alimentation en gaz
10.2.1.1 Alimentation en gaz des chaufferies situées en immeubles neufs
L'alimentation en gaz de la chaufferie située en immeuble neuf doit être réalisée selon l'une des conditions suivantes :
par un branchement individuel,
-
par branchement collectif comportant une dérivation. Dans ce cas, la dérivation doit être réalisée obligatoirement avant le point de pénétration dans l'immeuble.
NOTELa pénétration s'entend comme étant la traversée d'un mur extérieur du bâtiment en vue de la desserte d'une chaufferie intérieure au dit bâtiment.
par alimentation directe à partir d'un récipient d'hydrocarbures liquéfiés. Dans ce cas et sauf indications contraires, les prescriptions relatives à l'alimentation par un branchement individuel s'appliquent.
L'alimentation en gaz de la chaufferie est réalisée par des conduites situées à l'extérieur du bâtiment jusqu'à leur pénétration dans la chaufferie. Dans le cas où l'alimentation en gaz de la chaufferie ne peut être réalisée par l'extérieur du bâtiment, la traversée des parties communes du bâtiment d'habitation est autorisée sous réserve de respecter les prescriptions particulières indiquées au paragraphe 10.2.4 du présent document.
10.2.1.2 Alimentation en gaz des chaufferies situées en immeubles existants
L'alimentation d'une chaufferie située en immeuble existant doit être réalisée :
soit comme pour un immeuble neuf (voir paragraphe 10.2.1.1 du présent document),
soit par une dérivation sur une conduite d'immeuble ou conduite montante préexistante desservant l'immeuble, cette dérivation pouvant être réalisée à l'intérieur de l'immeuble.
Les conduites collectives doivent être suffisamment dimensionnées pour satisfaire le débit maximum prévisionnel. Avant tout début de travaux sur une conduite collective, il convient de se rapprocher du distributeur de gaz.
Si la disposition des lieux l'oblige, l'alimentation en gaz de la chaufferie est réalisée par des conduites qui peuvent traverser ou pénétrer le bâtiment. La pénétration des conduites doit être exclusivement située en rez-de-chaussée ou au premier niveau du sous-sol, y compris dans le cas où la chaufferie serait située à un niveau inférieur lorsque le sous-sol comporte plusieurs niveaux.
10.2.2 Organes de coupure
Les obturateurs à opercule, non manoeuvrables sans fuite possible vers l'atmosphère, sont interdits à l'intérieur des bâtiments.
Voir également l'article 8-I-B et 8-I-D de l'arrêté du 2 août 1977 modifié.
10.2.2.1 Organe de coupure de branchement
Outre les organes de coupure de sécurité visés ci-après, d'autres organes de coupure peuvent être, à la demande du distributeur de gaz, mis en place pour les besoins d'exploitation.
10.2.2.1.1 Alimentation par branchement individuel
Le branchement individuel alimentant en gaz la chaufferie doit être muni d'un organe de coupure à fermeture rapide satisfaisant aux prescriptions du paragraphe 4.1 du présent document.
S'il existe un poste de détente, cet organe de coupure peut être placé soit avant le poste de détente, soit à l'intérieur du poste de détente à condition de rester manoeuvrable depuis l'extérieur du poste.
Cet organe de coupure correspond à celui prévu à l'article 8-I-B de l'arrêté du 2 août 1977 modifié et qui renvoie aux prescriptions de l'article 13 (1°, premier alinéa) du même arrêté.
NOTE 2 Le choix du type d'organe de coupure et son emplacement appartiennent au distributeur. Les éventuelles difficultés pouvant être rencontrées pour placer l'organe de coupure seront réglées en accord avec lui.
10.2.2.1.2 Alimentation par branchement particulier pris en dérivation à l'extérieur de l'immeuble
La chaufferie est alimentée en gaz à partir d'un branchement d'immeuble collectif déjà muni d'un organe de coupure générale satisfaisant aux exigences du paragraphe 4.1 du présent document.
S'il existe un poste de détente, cet organe de coupure peut être placé soit avant le poste de détente, soit à l'intérieur du poste de détente à condition de rester manoeuvrable depuis l'extérieur du poste.
Cet organe de coupure correspond à celui prévu à l'article 8-I-B de l'arrêté du 2 août 1977 modifiéet qui renvoie aux prescriptions de l'article 13 (1°, premier alinéa) du même arrêté.
L'emplacement de l'organe de coupure installé sous regard ou en élévation doit respecter les conditions décrites aux paragraphes 4.1.2.1 ou 4.1.2.2 du présent document.
10.2.2.1.3 Alimentation par branchement particulier pris en dérivation à l'intérieur d'un immeuble existant
La conduite d'alimentation prise en dérivation sur une conduite d'immeuble ou sur une conduite montante doit être munie d'un organe de coupure individuelle satisfaisant aux prescriptions du paragraphe 4.5.2 du présent document.
Cet organe de coupure correspond à celui prévu à l'article 13 (2°, premier alinéa) de l'arrêté du 2 août 1977 modifié.
10.2.2.2 Appareil de coupure automatique
Cet appareil est en général appelé " déclencheur de débit moyenne pression ".
NOTE 2 Voir également l'article 8-I-E-a- de l'arrêté du 2 août 1977 modifié.
Les conduites d'alimentation situées à l'intérieur des immeubles neufs et alimentées à une pression supérieure à 400 mbar doivent comporter un appareil de coupure automatique conforme aux dispositions de l'article 14 (1°) de l'arrêté du 2 août 1977 modifié. Il ne sera pas tenu compte de la limitation du débit nominal à 100 mètres cubes par heure.
Les conduites d'alimentation situées à l'intérieur des immeubles existants et alimentées à une pression supérieure à 400 mbar, placées hors gaine ou dont la puissance véhiculée est supérieure à 1 162 kW doivent comporter un appareil de coupure automatique.
Voir également le paragraphe 10.2.5.1 du présent document.
L'appareil de coupure automatique est placé en aval de l'organe de coupure générale prévu au paragraphe 10.2.1 du présent document et avant la première pénétration de la conduite d'immeuble dans le bâtiment.
Il est installé à l'extérieur des bâtiments ou en façade ou en niche communiquant uniquement avec l'extérieur.
Le fait d'emprunter des passages ouverts de façon permanente ou destinés au franchissement du bâtiment ne constitue pas une pénétration du bâtiment.
10.2.2.3 Organe de coupure spécifique chaufferie
Voir également l'article 8-I-D de l'arrêté du 2 août 1977 modifié.
Avant pénétration dans la chaufferie, la conduite d'alimentation comporte un organe de coupure (vanne, robinet ou obturateur).
L'emplacement de l'organe de coupure spécifique chaufferie n'est pas imposé à proximité d'une issue à la chaufferie.
L'organe de coupure spécifique chaufferie doit être :
signalé,
accessible en permanence,
facilement manoeuvrable,
muni d'un moyen d'identification indélébile.
Une plaque signalétique portant la mention " coupure gaz chaufferie " placée à proximité de l'organe de coupure satisfait aux exigences de signalisation et d'identification.
Il est interdit de placer l'organe de coupure de chaufferie à l'intérieur du sas d'isolement lorsque ce sas est obligatoire.
Dans le cas où l'implantation de l'organe de coupure ne pourrait être réalisée dans les conditions décrites ci avant, il peut être installé à l'intérieur de la chaufferie à condition qu'il soit manoeuvrable de l'extérieur.
La manoeuvre de l'organe de coupure peut être obtenue :
-
soit directement à partir d'une trappe d'accès ou par l'intermédiaire d'un système mécanique,
NOTE 4Le système mécanique utilisé (tringlerie, câble avec poignée de commande, ...) ne doit pas induire des efforts mécaniques risquant de provoquer une détérioration de l'organe de coupure ainsi que des tuyauteries s'y raccordant.
soit à distance par l'intermédiaire d'une commande pneumatique, mécanique ou électrique.
L'organe de coupure spécifique chaufferie peut être confondu avec l'organe de coupure de branchement visé au paragraphe 10.2.2.1 du présent document, à condition que ce dernier soit installé à proximité immédiate de la pénétration de la canalisation dans la chaufferie.
10.2.3 Conduites d'alimentation et accessoires
Les dérivations sur une conduite d'alimentation de chaufferie sont interdites en aval de l'organe de coupure spécifique visé au paragraphe 10.2.2.3 du présent document.
Les conduites d'alimentation en gaz des chaufferies ainsi que leurs accessoires doivent satisfaire aux conditions générales de pose indiquées aux articles 4 et 5 de la norme NF DTU 61.1 P2 ainsi qu'aux prescriptions suivantes.
Les conduites d'alimentation en gaz des chaufferies doivent être réalisées par des ouvriers munis d'une attestation d'aptitude professionnelle spécifique du mode d'assemblage du matériau concerné.
Cette obligation s'applique également pour l'assemblage par électrosoudage des conduites en polyéthylène autorisées exclusivement à l'extérieur des bâtiments.
10.2.3.1 Traversée des bâtiments
Les conduites d'alimentation des chaufferies gaz peuvent emprunter les passages ouverts d'une façon permanente sur l'extérieur ou les passages destinés au franchissement du bâtiment. Dans ce cas, elles doivent respecter les prescriptions relatives à la traversée des bâtiments décrites au paragraphe 5.3.5 de la norme NF DTU 61.1 P2.
Le fait d'emprunter des passages ouverts de façon permanente ou destinés au franchissement du bâtiment ne constitue pas une pénétration du bâtiment.
10.2.3.2 Alimentation en gaz des chaufferies en terrasse ou en étage non surmonté d'étages habités
Les conduites d'alimentation des chaufferies situées en terrasse ou en étage non surmonté d'étages habités sont interdites à l'intérieur du bâtiment.
Cette interdiction s'applique également :
à l'alimentation d'une chaufferie nouvellement créée dans un bâtiment existant,
à la nouvelle alimentation d'une chaufferie existante auparavant non desservie en gaz.
Cette interdiction ne s'applique pas au remplacement à l'identique d'une canalisation existante d'alimentation d'une chaufferie gaz
Toutefois, elles peuvent emprunter les passages destinés au franchissement du bâtiment dans les conditions décrites au paragraphe 10.2.3.1 du présent document.
En l'absence d'un tel passage et en cas d'impossibilité de cheminer en façade sur rue du bâtiment, les conduites d'alimentation des chaufferies peuvent traverser, par un tracé rectiligne, le bâtiment desservi pour permettre de remonter sur la face arrière du bâtiment sous réserve que les deux conditions suivantes soient simultanément remplies :
-
la traversée s'effectue en empruntant des vides sanitaires ou des parties communes situées en rez-de-chaussée ou au premier niveau du sous-sol.
NOTE 2Ce type de traversée du bâtiment n'est pas considéré comme une pénétration de celui-ci
-
la canalisation est réalisée en tube d'acier protégé contre la corrosion et placée
soit dans un fourreau continu réalisé en tubes d'acier protégé contre l'incendie par une bande plâtrée d'une épaisseur minimale de 4 cm et ouvert exclusivement sur l'extérieur,
soit dans une gaine coupe feu de degré 2 heures, réalisée en matériaux classés en catégorie M0 ou A2-s1,d0 et ouverte exclusivement sur l'extérieur.
Cette possibilité peut se rencontrer dans le cas d'un bâtiment possédant une façade classée.
Dans le cas d'une chaufferie au dernier niveau non surmonté d'étages habités, les conduites d'alimentation des chaufferies peuvent emprunter par un tracé rectiligne un comble non aménagé et/ou une partie commune du dernier niveau sous réserve que la canalisation soit réalisée en tube d'acier protégé contre la corrosion et placée :
soit dans un fourreau continu réalisé en tubes d'acier protégé contre l'incendie par une bande plâtrée d'une épaisseur minimale de 4 cm et ouvert exclusivement sur l'extérieur,
soit dans une gaine coupe feu de degré 2 heures, réalisée en matériaux classés en catégorie M0 ou A2-s1,d0 et ouverte exclusivement sur l'extérieur.
10.2.3.2.1 Emplacement des canalisations
Les canalisations d'alimentation sont placées dans l'une des conditions suivantes :
en façade, en apparent,
dans une gaine accolée à la façade,
dans un emplacement intégré à la façade et sans communication avec l'intérieur du bâtiment.
 : Installations de gaz/NF DTU 61.1 P3 Compil (juin 2010)/image/fig_ROU_1_5.png)
Figure 4 - Alimentation en gaz des chaufferies en terrasse ou en étage non surmonté d'étages habités - Emplacement des canalisations
Les canalisations extérieures apparentes doivent passer à une distance d'au moins :
0,40 m de toute partie ouvrante ;
0,60 m de tout orifice de ventilation.
Dans le cas où ces distances ne pourraient être respectées, une protection mécanique par fourreau doit être mise en place afin de respecter ces distances vis-à-vis des extrémités du fourreau.
De même une protection mécanique doit être mise en place par fourreau si la conduite passe dans des parties accessibles comme par exemple dans les balcons ou les terrasses d'appartements.
 : Installations de gaz/NF DTU 61.1 P3 Compil (juin 2010)/image/fig_ROU_1_6.png)
Figure 5 - Alimentation en gaz des chaufferies en terrasse ou en étage non surmonté d'étages habités - Distances des canalisations des parties ouvrantes et orifices de ventilation
10.2.3.2.2 Dispositions vis à vis des équipements de protection contre la foudre
Dans le cas où le bâtiment comporterait des dispositifs de protection contre la foudre (installations de paratonnerres), des dispositions particulières sont à prendre :
-
si la distance entre la canalisation et le conducteur de descente du paratonnerre est inférieure à 3 mètres,
NOTE 1Voir norme NF C 17.100 paragraphe 3.2 " Equipotentialité des éléments conducteurs extérieurs " et paragraphe 5.3.3.2.3 de la norme NF DTU 61.1 P2.
-
si la distance entre la canalisation enterrée et la prise de terre de paratonnerre est inférieure à 5 mètres.
NOTE 2Voir norme NF C 17.100 paragraphe 2.4.5 " Conditions de proximité dans le sol ".
10.2.3.2.3 Protection contre la corrosion
Les canalisations extérieures en acier, autres qu'en acier inoxydable, doivent être protégées par une peinture anti-corrosion (voir paragraphe 5.3.3.5 de la norme NF DTU 61.1 P2).
L'application d'une peinture aux couleurs conventionnelles n'est pas imposée.
10.2.3.2.4 Support des canalisations
Le support des canalisations extérieures d'alimentation des chaufferies en terrasse ou en étage non surmonté d'étage habité ou occupé doit être assuré exclusivement par colliers conformes au paragraphe 5.3.3.3 de la norme NF DTU 61.1 P2 et répondant aux prescriptions complémentaires suivantes.
Des points fixes, constitués par des colliers d'ancrage, doivent être placés (voir Figure 6 - Exemple de fixation d'une conduite montante extérieure) :
sur la partie verticale, en pied de conduite ;
sur la partie horizontale, en terrasse.
Le collier d'ancrage placé en pied de la partie verticale doit résister aux efforts additionnels dus :
au poids de la conduite verticale ;
à la réaction axiale de la dilatation.
Le collier d'ancrage en terrasse doit résister :
aux efforts verticaux résultant de la compensation angulaire,
aux efforts éventuels horizontaux pouvant s'exercer soit dans l'axe de la conduite (compensation du déplacement linéaire), soit dans d'autres directions (efforts de flexion dus aux changements de directions).
Aucun assemblage mécanique (raccord, bride, etc.) n'est admis entre ces points fixes.
Entre ces points fixes, les autres colliers, appelés colliers de guidages, doivent permettre les déplacements axiaux et radiaux de la conduite.
Les surépaisseurs éventuelles dues aux assemblages (soudures, raccords préfabriqués brasés, ...) ne doivent pas compromettre cette liberté de déplacement.
La méthode de calcul donnée en Annexe B du présent document permet de déterminer l'emplacement des colliers de guidage proche d'un changement de direction.
NOTE 2 L'utilisation de compensateurs de dilatation de type à soufflets métalliques doit faire l'objet d'une étude particulière.
 : Installations de gaz/NF DTU 61.1 P3 Compil (juin 2010)/image/fig_ROU_1_7.png)
Figure 6 - Exemple de fixation d'une conduite montante extérieure
10.2.4 Prescriptions particulières relatives à l'alimentation des chaufferies situées à l'intérieur des bâtiments
Les conditions de passage d'une conduite d'alimentation de chaufferie à l'intérieur d'un parc de stationnement annexe d'un bâtiment d'habitation sont traitées au paragraphe 10.2.4.3 du présent document.
10.2.4.1 Passage en parties communes des bâtiments d'habitation neufs des conduites d'alimentation des chaufferies
Les conduites d'alimentation des chaufferies en rez-de-chaussée ou en sous-sol doivent :
soit être placées sous une gaine ventilée coupe-feu de degré deux heures ;
-
soit répondre simultanément aux conditions suivantes :
-
la conduite est alimentée :
-
soit en moyenne pression (M.P.) : dans ce cas, elle est toujours équipée, avant la première entrée dans le bâtiment, d'un appareil de coupure automatique ;
NOTE 1Cet organe est défini à l'article 14 (1°, a) de l'arrêté du 2 août 1977 modifié.
soit en basse pression (B.P.) à partir d'un détendeur régulateur ou d'un bloc de détente collectif d'immeuble situé à l'extérieur du bâtiment, muni d'un système de sécurité interrompant l'arrivée du gaz en cas de chute brutale de la pression aval ;
soit en basse pression (B.P.) à partir d'un réseau B.P., sous réserve de l'existence avant pénétration dans l'immeuble d'un robinet déclencheur basse pression interrompant automatiquement le débit de gaz lorsque ce débit excède une valeur calibrée, cette valeur ne pouvant être supérieure à 1,5 fois le débit maximal correspondant au fonctionnement des installations desservies ;
-
la conduite est réalisée en tubes d'acier assemblés par soudage conformément au paragraphe 5.2.2.1.1 de la norme NF DTU 61.1 P2. Elle est supportée dans les conditions prévues au paragraphe 5.3.3.3. de la norme NF DTU 61.1 P2 complétées par celles du paragraphe 4.2.2.2 du présent document ;
à l'intérieur du volume des sous-sols, la conduite ne comporte aucun accessoire tel que : organe de coupure, raccord mécanique, etc ;
un jeu d'au moins 6 mm par mètre linéaire de conduite doit être réservé à chacune des extrémités de toute longueur droite pour éviter une mise en butée ;
la conduite doit être placée hors des zones d'implantation des locaux techniques (vide-ordures, ventilation, etc.) ;
la conduite est placée au moins à deux mètres de hauteur et dans la mesure du possible en angle de murs et de plafond ou de poutres et plafond. Si exceptionnellement, sur son parcours, la conduite est placée à moins de deux mètres de hauteur, la partie concernée sera protégée mécaniquement (voir paragraphe 5.3.3.4. de la norme NF DTU 61.1 P2) ;
la conduite doit emprunter le niveau supérieur des sous-sols ou être implantée en rez-de-chaussée du bâtiment ;
la conduite ne peut alimenter que la ou les chaufferies de l'immeuble dans lequel elle est implantée au niveau du rez-de-chaussée ou dont elle traverse les sous-sols ;
en aggravation du paragraphe 5.3.3.2.1. de la norme NF DTU 61.1 P2, la conduite doit être au moins à 30 mm de distance au croisement des canalisations électriques ;
-
la conduite est identifiée conformément au paragraphe 4.8.3 de la norme NF DTU 61.1 P2.
NOTE 2Il est rappelé que la conduite d'immeuble doit faire l'objet d'un examen périodique par le distributeur (voir Annexe A du présent document).
-
10.2.4.2 Passage en parties communes des bâtiments d'habitation existants des conduites d'alimentation des chaufferies
10.2.4.2.1 Disposition commune à toutes les chaufferies
Les conduites d'alimentation des chaufferies doivent respecter les exigences du paragraphe 4.2.1 du présent document relatif aux dispositions générales applicables aux conduites d'immeubles à l'exception des prescriptions du paragraphe 4.2.1.1.
10.2.4.2.2 Dispositions particulières relatives aux conduites d'alimentation des chaufferies d'une puissance calorifique totale véhiculée par la conduite supérieure à 1162 kw
-
Les conduites d'alimentation des chaufferies d'une puissance calorifique totale véhiculée par la conduite supérieure à 1162 kW doivent être :
soit placées à l'intérieur d'une gaine ventilée, de degré coupe-feu 1 heure et pouvant résister aux chocs,
-
soit réalisées en tubes d'acier.
Lorsque ces conduites d'alimentation sont réalisées en tubes d'acier :
elles doivent être situées à 2 mètres de hauteur au moins et, dans la mesure du possible, en angle de murs et de plafond ou de poutres et plafonds. Si, sur son parcours, une conduite ne peut être placée à plus de 2 mètres de hauteur, le tronçon concerné devra être protégé mécaniquement ;
elles ne peuvent alimenter que la ou les chaufferie(s) de l'immeuble dont elles empruntent les parties communes ;
elles doivent être repérées chaque fois que nécessaire lorsqu'il y a risque de confusion (conformément au paragraphe 4.8.3 de la norme NF DTU 61.1 P2).
-
De plus, ces conduites doivent comporter un dispositif de coupure automatique d'un modèle adapté à la pression véhiculée.
Lorsque la conduite est alimentée :
en moyenne pression B (M.P.B.), elles doivent être équipées d'un dispositif de coupure automatique tel que défini à l'article 14 (1°, a) de l'arrêté du 2 août 1977 modifié ;
en moyenne pression A (M.P.A.), à partir d'un réseau distribué en moyenne pression B (M.P.B.), le détendeur régulateur ou le bloc de détente doit être muni d'un système de sécurité interrompant l'arrivée du gaz en cas de chute brutale de la pression aval, ce dispositif est intégré à l'appareil ;
en basse pression (B.P.) à partir d'un réseau distribué en moyenne pression B (M.P.B.), le détendeur régulateur ou le bloc de détente doit être muni d'un système de sécurité interrompant l'arrivée du gaz en cas de chute brutale de la pression aval, ce dispositif est intégré à l'appareil ;
en basse pression (B.P.) à partir d'un réseau distribué en basse pression (B.P.), elles doivent être équipées d'un robinet déclencheur basse pression, placé avant la pénétration dans l'immeuble, interrompant automatiquement le débit de gaz lorsque ce débit excède une valeur calibrée, cette valeur ne pouvant être supérieure à 1,5 fois le débit maximal correspondant au fonctionnement de la chaufferie desservie.
10.2.4.3 Passage dans les parcs de stationnement couverts, annexes de bâtiments d'habitation neufs ou existants, des conduites d'alimentation des chaufferies
Si l'alimentation en gaz de la chaufferie ne peut pas être réalisée par un autre tracé, la traversée dans le volume d'un parc de stationnement couvert, annexe d'un bâtiment d'habitation, par la conduite d'alimentation en gaz de cette chaufferie est admise.
Dans ce cas, les prescriptions énoncées au paragraphe 4.2.2 du présent document relatif aux conditions de traversée par une conduite d'immeuble d'un parc de stationnement couvert, annexe d'un bâtiment d'habitation, doivent être respectées.
Les zones de circulation des véhicules ainsi que les zones piétonnes d'un parc de stationnement couvert, annexe du bâtiment d'habitation, constituent des parties communes.
10.2.5 Détente
10.2.5.1 Type de détendeurs
La détente est réalisée :
soit par des détendeurs isolés ou groupés en batterie,
soit par des blocs de détente.
Les détendeurs isolés ou groupés en batterie doivent être conformes aux dispositions du paragraphe 4.6.2.2 de la norme NF DTU 61.1 P2.
Les blocs de détente doivent être réalisés conformément à l'article 2 du DTU 65.4 relatif aux chaufferies aux gaz et aux hydrocarbures liquéfiés.
L'article 2 du DTU 65.4 correspond aux spécifications A.T.G. B. 67.1 " Conception, construction et installation des blocs et des postes de détente alimentant une chaufferie "
Bien que non visés par le domaine d'application de l'article 2 du DTU 65.4, les blocs de détente placés en aval du point de livraison, doivent être réalisés selon les mêmes prescriptions.
Un détendeur ou un bloc de détente doit être muni d'un système de sécurité interrompant l'arrivée du gaz en cas de chute brutale de pression aval.
Un détendeur ou un bloc de détente conformes aux dispositions de l'article 4 de l'arrêté du 2 août 1977 modifié est réputé satisfaire à cette exigence.
10.2.5.2 Implantation de la détente
10.2.5.2.1 Implantation des détendeurs isolés ou en batterie
En immeubles neufs ou existants, les détendeurs isolés ou groupés en batteries peuvent être installés :
soit hors chaufferie conformément aux prescriptions au paragraphe 7.1.1.1 du présent document,
soit à l'intérieur de la chaufferie qu'ils alimentent si la puissance totale installée ne dépassant pas en moyenne 280 kW par chaudière.
10.2.5.2.2 Implantation des blocs de détente en immeuble neuf
Un bloc de détente doit être situé à l'extérieur des bâtiments selon l'une des conditions suivantes :
en armoire,
en coffret encastré ou non dans un mur extérieur,
en niche réalisée dans un mur extérieur,
dans un local approprié extérieur, accolé ou non au bâtiment,
en fosse ou coffret enterré quel que soit le gaz distribué.
L'enceinte ou local visé ci-dessus constitue le poste de détente. Il peut contenir des dispositifs de détente destinés à d'autres utilisations ainsi que le ou les éventuels dispositifs de comptage et les dispositifs de coupure.
Est considéré comme extérieur au bâtiment, un bloc de détente situé dans un local du bâtiment ouvrant sur l'extérieur et sans communication avec l'intérieur du bâtiment.
Les postes qui contiennent les blocs de détente doivent être réalisés conformément à l'article 2 du DTU 65.4 relatif aux chaufferies aux gaz et aux hydrocarbures liquéfiés.
L'article 2 du DTU 65.4 correspond aux spécifications A.T.G. B. 67.1 " Conception, construction et installation des blocs et des postes de détente alimentant une chaufferie ".
Le bloc de détente peut toutefois être installé à l'intérieur de la chaufferie qu'il alimente aux conditions suivantes :
-
la chaufferie est :
soit extérieure, accolée ou non au bâtiment,
soit en terrasse ou en étage non surmonté d'étage habité.
la puissance utile de la chaufferie n'excède pas 2 000 kW,
il n'existe aucune communication directe entre la chaufferie et l'intérieur du bâtiment.
Les différentes possibilités ou interdictions visant l'implantation de la détente dans un immeuble neuf, sont résumées dans le tableau 4 ci-dessous :
 : Installations de gaz/NF DTU 61.1 P3 Compil (juin 2010)/image/tab_ROU_1_4.png)
Tableau 4 - Implantation de la détente dans un immeuble neuf
10.2.5.2.3 Implantation des blocs de détente en immeuble existant
Dans les immeubles existants, les blocs de détente peuvent être implantés dans les conditions définies au paragraphe 10.2.5.2.2 du présent document.
Un bloc de détente alimenté à une pression au plus égale à 4 bar peut également être implanté à l'intérieur du bâtiment à condition d'être placé :
soit dans un local spécifique, ventilé directement et en permanence sur l'extérieur, situé le plus près possible du point de pénétration de la conduite à l'intérieur du bâtiment,
soit à l'intérieur de la chaufferie qu'il alimente.
Les différentes possibilités ou interdictions visant l'implantation de la détente dans un immeuble existant, sont résumées dans le tableau 5 ci-dessous :
 : Installations de gaz/NF DTU 61.1 P3 Compil (juin 2010)/image/tab_ROU_1_5.png)
Tableau 5 - Implantation de la détente dans un immeuble existant
10.2.6 Diamètres des conduites d'alimentation
Le diamètre intérieur des conduites est déterminé en fonction de la pression effective du gaz et du débit maximum prévisionnel à satisfaire.
Voir la norme NF DTU 61.1 P7.
Par dérogation aux dispositions indiquées au paragraphe 4.6 du présent document, le diamètre intérieur des conduites n'est pas limité.
10.2.7 Organes de coupure terminaux
Tout générateur doit être commandé par un robinet.
Ce robinet peut être :
placé sur la tuyauterie d'alimentation de l'appareil,
livré avec l'appareil
intégré à l'appareil.
Un robinet d'essai bouchonné conforme à la norme XP E 29-141 doit être prévu dans le local.
Ce robinet peut assurer la fonction de purge.
10.2.8 Alimentation en gaz des générateurs
Les équipements de chauffe des générateurs peuvent être raccordés à la canalisation d'alimentation en gaz :
soit par des canalisations rigides,
soit par des tuyaux flexibles métalliques et pouvant résister à une fois et demie la pression maximale de distribution.
Les tuyaux flexibles sont raccordés aux canalisations qu'ils relient exclusivement par moyens mécaniques fixes tels que raccords filetés ou brides. Ils ne doivent pas être bridés sur leur parcours et leur longueur ne peut être supérieure à 2 mètres.
Les tuyaux flexibles métalliques conformes aux normes NF D 36-121, NF D 36-123 ou NF D 36-125 satisfont à ces dispositions. Toutefois, les normes NF D 36-121 et NF D 36-125 correspondent au raccordement d'appareils domestiques.
10.2.9 Détection de gaz combustible
La mise en oeuvre d'un dispositif de détection gaz, que celui ci soit imposé ou non par des dispositions réglementaires, doit répondre aux prescriptions minimales ci-après.
Une détection de gaz est nécessaire notamment dans le cas de :
chaufferies soumises à déclaration au titre de la rubrique n° 2910 A de la nomenclature des installations classées,
chaufferies comportant des générateurs de vapeur d'eau ou d'eau surchauffée (norme NF E 32-020-4)
Le dispositif de détection comprend une ou plusieurs têtes détectrices et une centrale électronique d'alimentation et d'asservissement.
Les matériels constituant le dispositif de détection doivent être conformes aux normes NF EN 61779-1 et NF EN 61779-4.
La position exacte de la (ou des) têtes détectrices est déterminée en fonction de la nature du gaz, du type de matériel, de la position de la rampe gaz de chaque générateur et des conditions de ventilation de la chaufferie.
Si elles sont placées en hauteur, elles ne doivent pas être fixées directement au plafond et il doit être aménagé un espace libre de quelques centimètres en prévision d'un éventuel matelas d'air chaud, formant écran.
L'installation de détecteurs complémentaires peut être imposée par des dispositions réglementaires.
Les têtes détectrices doivent être protégées contre les poussières et projections d'eau
La mise en place de déflecteurs peut satisfaire à cette exigence.
Le dispositif doit être installé à poste fixe et doit assurer une détection en continu et le déclenchement automatique d'une alarme locale et/ou reportée.
Si un report d'alarme ou une télésurveillance est prévu, le seuil d'alarme est fixé à une valeur maximale au plus égale à 25 % de la LIE (limite inférieure d'explosivité).
Voir définition et valeurs de la LIE dans la norme NF DTU 61.1 P1.
Le seuil de déclenchement des dispositifs de sécurité installés doit être au plus égal à 60 % de la LIE.
Il doit également déclencher le fonctionnement des éventuels dispositifs de sécurité installés (fermeture d'une ou plusieurs électrovannes gaz et relais de mise hors tension des équipements électriques exceptés les matériels destinés à fonctionner en atmosphère explosive, les alimentations en très basse tension et l'éclairage de secours).
Toute défaillance d'un des matériels constituant le dispositif de détection doit entraîner les mêmes actions (principe de la sécurité positive).
En aucun cas, les seuils maxima indiqués ci-dessus ne doivent pouvoir être modifiés.
10.2.10 Dispositions particulières relatives aux conduites d'alimentation des chaufferies de puissance calorifique totale supérieure à 2 000 kW
Ces chaufferies sont soumises à déclaration au titre de la rubrique n°2910A de la nomenclature des installations classées pour la protection de l'environnement.
NOTE 2 Lorsque plusieurs appareils composant une installation sont dans l'impossibilité technique de fonctionner simultanément, la puissance de l'installation est la valeur maximale parmi les sommes des puissances des appareils pouvant fonctionner simultanément. Cette règle s'applique également aux appareils de secours venant en remplacement d'un ou plusieurs appareils indisponibles dans la mesure ou, lorsqu'ils sont en service, la puissance mise en oeuvre ne dépasse pas la puissance totale déclarée de l'installation.
10.2.10.1 Repérage des conduites d'alimentation
A l'intérieur des bâtiments, y compris en chaufferie, les conduites d'alimentation doivent être repérées conformément à la norme NF X 08-100.
10.2.10.2 Organes de coupure
10.2.10.2.1 Organes de coupure spécifique
Un organe de coupure à fermeture rapide et commande manuelle, indépendant de tout équipement de régulation de débit, doit être placé à l'extérieur des bâtiments pour permettre d'interrompre l'alimentation en gaz des appareils de combustion.
Les obturateurs à opercule, non manoeuvrables sans fuite possible vers l'atmosphère, sont interdits à l'intérieur des bâtiments.
Ne peuvent tenir lieu d'organe de coupure spécifique :
l'organe de coupure de branchement visé au paragraphe 10.2.2.1 du présent document,
une électro-vanne commandée manuellement (par exemple par un bouton poussoir),
les vannes automatiques visées au paragraphe 10.2.10.2.2 du présent document, même si elles sont pilotées manuellement.
L'organe de coupure spécifique est clairement repéré et indiqué dans des consignes d'exploitation. Il doit être signalé. Il comporte une indication du sens de la manoeuvre ainsi que le repérage des positions ouverte et fermée.
Il doit être placé :
à l'extérieur du bâtiment,
dans un endroit accessible en permanence ;
à l'extérieur et en aval du poste de livraison et/ou du stockage d'hydrocarbures liquéfiés.
Ce dispositif de coupure peut être confondu avec celui prévu au paragraphe 10.2.2.3 du présent document à condition que celui ci soit placé en aval du poste de livraison et en amont du point de pénétration dans le bâtiment.
10.2.10.2.2 Organes de coupure automatique
Les conduites d'alimentation doivent être équipées de deux vannes automatiques (par exemple électrovannes) redondantes placées en série. Ces vannes doivent être asservies à des capteurs de détection de gaz et à un pressostat.
Par ailleurs, la coupure manuelle du gaz peut aussi être obtenue par une action sur bouton-poussoir commandant l'électro-vanne.
Ces vannes assurent la fermeture de l'alimentation en gaz en cas de chute de pression ou lors de la détection de gaz dans le local.
Les vannes automatiques doivent être à sécurité positive.
En cas de fermeture déclenchée par un défaut gaz (détection de gaz, baisse de pression), la réouverture de la vanne doit nécessiter une intervention humaine de réarmement sur le site.
En cas de fermeture consécutive à une interruption momentanée de l'alimentation électrique, le réarmement de la vanne peut être automatique.
L'ajout d'une seule vanne automatique est toutefois admis, lorsque cette vanne automatique est placée à l'extérieur et sous réserve que soit asservie la vanne située au niveau de chaque brûleur.
Comme précisé dans la circulaire du 6 avril 2001 : " Cette configuration est reconnue suffisante du point de vue de la sécurité selon la circulaire du 6 avril 2001 relative à l'arrêté du 25 juillet 1997 ". " La circulaire du 10 juin 2005 peut amener à changer une partie des solutions proposées. Un amendement à ce document sera pris, si nécessaire, pour modifier le texte de l'alinéa ci-dessus, le contenu de la note et les figures correspondantes ".
La position ouverte ou fermée d'une vanne automatique est clairement identifiable par un dispositif intégré à la vanne.
Dans le cas où la détection gaz n'est pas obligatoire (voir paragraphe 10.2.10.3.2 du présent document), la vanne automatique est à minima asservie au pressostat prévu au paragraphe 10.2.10.3.1 du présent document.
La fermeture ou l'ouverture d'une vanne automatique pouvant entraîner des déclenchements intempestifs du bloc de détente, l'implantation de la vanne est choisie en accord avec le distributeur.
10.2.10.3 Organes de sécurité
10.2.10.3.1 Détection de chute de pression
Les conduites d'alimentation doivent être équipées d'un pressostat permettant de détecter une chute de pression dans la tuyauterie. Ce détecteur doit être placé en amont de l'organe de coupure automatique qu'il commande et en amont de la capacité tampon éventuelle. Son seuil doit être aussi élevé que possible, compte tenu des caractéristiques de fonctionnement des appareils et ne devra en aucun cas être inférieur à 50 % de la pression d'alimentation des appareils.
Pour la capacité tampon, voir additif/modificatif n° 3 du DTU 65.4 - paragraphe 4.1.
NOTE 2 D'une manière générale, le seuil maximum du réglage du détecteur ne devrait pas dépasser 80 % de la pression d'alimentation des appareils.
10.2.10.3.2 Détection de gaz combustible
Dès lors que l'installation répond au moins à l'une des situations suivantes :
installation exploitée sans surveillance permanente,
installation implantée en sous-sol ;
Par " Sans surveillance permanente ", il faut entendre " sans présence humaine permanente ".
Ce dispositif doit obligatoirement couper l'arrivée du combustible et interrompre l'alimentation électrique, à l'exception de l'alimentation des matériels et des équipements destinés à fonctionner en atmosphère explosive, de l'alimentation en très basse tension et de l'éclairage de secours, sans que cette manoeuvre puisse provoquer d'arc ou d'étincelle pouvant déclencher une explosion.
Toute la chaîne de coupure automatique (détection, transmission du signal, fermeture de l'alimentation de gaz) doit pouvoir être testée périodiquement.
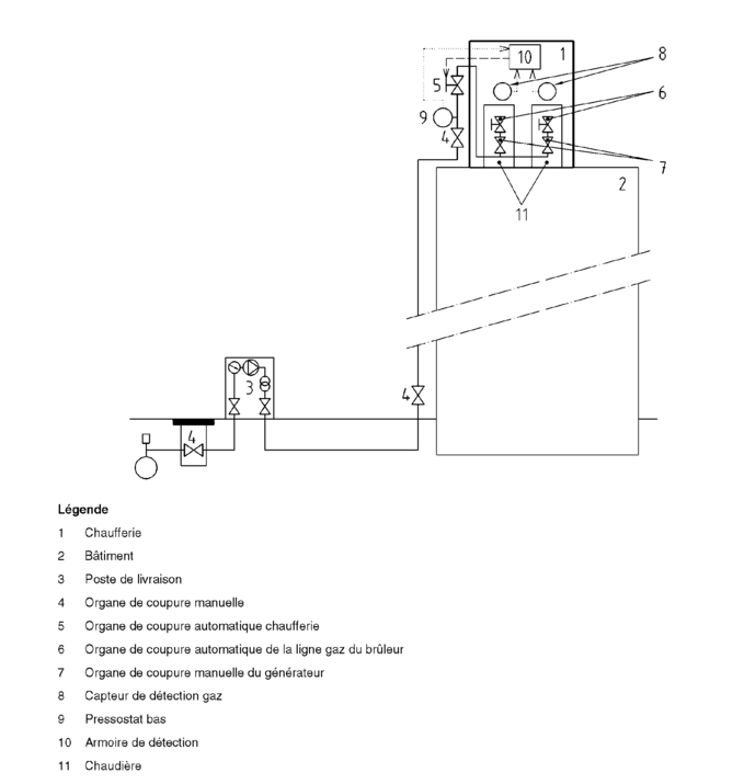
 : Installations de gaz/NF DTU 61.1 P3 Compil (juin 2010)/image/fig_ROU_1_8.png)
Figure 7 - Principe d'alimentation d'une chaufferie en terrasse de puissance supérieure à 2 000 kW (variante 1)
 : Installations de gaz/NF DTU 61.1 P3 Compil (juin 2010)/image/fig_ROU_1_9.png)
Figure 8 - Principe d'alimentation d'une chaufferie en terrasse de puissance supérieure à 2 000 kW (variante 2)
 : Installations de gaz/NF DTU 61.1 P3 Compil (juin 2010)/image/fig_ROU_1_10.png)
Figure 9 - Principe d'alimentation d'une chaufferie en terrasse de puissance supérieure à 2 000 kW (variante 3)
 : Installations de gaz/NF DTU 61.1 P3 Compil (juin 2010)/image/fig_ROU_1_11.png)
Figure 10 - Principe d'alimentation d'une chaufferie existante en sous-sol de puissance supérieure à 2 000 kW
10.3 Alimentation en gaz des appareils installés à l'extérieur des bâtiments et à l'air libre
Sont visées par exemple :
l'alimentation d'un appareil collectif situé au sol ou en toiture terrasse ;
l'alimentation d'un appareil individuel installé au sol sur un terrain privatif, sur un balcon ou une terrasse privative.
10.3.1 Alimentation d'appareils individuels
L'alimentation en gaz des appareils individuels installés à l'extérieur des bâtiments et à l'air libre fait l'objet du paragraphe 9.5 du présent document.
10.3.2 Appareil ou groupement d'appareils de production collective de froid et/ou de chaud
L'autorisation et les règles d'implantation de ces appareils font l'objet d'un cahier des charges en application de l'article 16 bis de l'arrêté du 2 août 1977 modifié.
10.3.2.1 Mode d'alimentation en gaz
L'alimentation en gaz de l'appareil ou du groupement d'appareils doit être réalisée :
soit par un branchement individuel ou directement à partir d'un récipient d'hydrocarbures liquéfiés,
-
soit par un branchement particulier réalisé en dérivation :
sur une conduite d'immeuble alimentant une ou plusieurs conduites montantes ou tiges cuisines,
ou sur une conduite montante.
10.3.2.2 Conduites d'alimentation et accessoires
Les conduites d'alimentation des appareils ou groupements d'appareils ainsi que leurs accessoires doivent satisfaire aux dispositions générales de la norme NF DTU 61.1 P2 et aux dispositions particulières du présent document.
Les conduites d'alimentation de l'installation doivent être réalisées par des techniciens munis d'une attestation d'aptitude professionnelle spécifique du mode d'assemblage du matériau concerné.
Cette obligation s'applique également pour l'assemblage par électro-soudage des conduites en polyéthylène enterrées à l'extérieur des bâtiments et alimentant les installations.
Dans le cas d'une installation située en toiture terrasse, l'alimentation en gaz est réalisée :
10.3.2.3 Organes de coupure
10.3.2.3.1 Alimentation par un branchement individuel
Le branchement individuel alimentant l'installation doit être muni d'un organe de coupure à fermeture rapide satisfaisant aux prescriptions du paragraphe 4.1 du présent document.
Cet organe de coupure a les mêmes fonctions et satisfait aux même prescriptions que l'organe de coupure prévu à l'article 13 (1°, premier alinéa) de l'arrêté du 2 août 1977 modifié.
NOTE 2 Le choix du type d'organe de coupure et de son emplacement appartient au distributeur.
10.3.2.3.2 Alimentation par un branchement particulier
Le branchement particulier réalisé en dérivation sur une conduite d'immeuble ou sur une conduite montante, et alimentant l'installation, doit être muni d'un organe de coupure satisfaisant aux prescriptions du paragraphe 4.5.2 du présent document.
Cet organe de coupure a les mêmes fonctions et satisfait aux même prescriptions que l'organe de coupure prévu à l'article 13 (2°, premier alinéa) de l'arrêté du 2 août 1977 modifié.
NOTE 2 Le choix du type d'organe de coupure appartient au distributeur.
10.3.2.3.3 Alimentation à partir de récipients d'hydrocarbures liquéfiés
Si l'installation est alimentée à partir d'une canalisation intérieure au bâtiment, les dispositions du paragraphe 10.3.2.3.2 du présent document s'appliquent.
Si l'installation est alimentée à partir d'une canalisation extérieure au bâtiment, la conduite alimentant l'installation doit comporter un organe de coupure satisfaisant aux prescriptions du paragraphe 4.5.2 du présent document.
Lorsque le récipient d'hydrocarbures liquéfiés unique n'alimente que l'installation, le robinet du récipient peut tenir lieu d'organe de coupure générale.
Cet organe de coupure a les mêmes fonctions et satisfait aux mêmes prescriptions que l'organe de coupure prévu à l'article 13 (1°, premier alinéa) de l'arrêté du 2 août 1977 modifié.