5 Mise en oeuvre
5.1 Prescriptions générales
Les canalisations peuvent être posées :
en aérien sur support (en apparent ou dissimulé en gaine technique ou coffrage) :
en encastré, engravé ou enrobé dans les éléments du gros oeuvre ou assimilé.
Il n'est pas autorisé de faire passer des canalisations :
dans les conduits de fumées :
dans les conduits de ventilation :
dans les conduits d'ordures ménagères.
Le passage de canalisations dans les parois constituant les trois types de conduits cités ci-dessus n'est pas autorisé.
Il n'est pas autorisé de faire passer des canalisations dans l'épaisseur d'un isolant de mur de façade.
Il est rappelé, en outre, que des textes réglementaires ou normatifs interdisent le passage de canalisations dans d'autres parties du bâtiment ou le permettent sous réserve du respect de certaines prescriptions. Ils peuvent également interdire la présence, dans une même gaine, de canalisations véhiculant des fluides différents ou imposer des conditions. (Exemples : postes de transformation électrique, gaines et machineries d'ascenseurs, gaines de canalisations de gaz et d'électricité, ...).
5.2 Façonnage, assemblage des canalisations
5.2.1 Tubes en acier galvanisé
5.2.1.1 Façonnage
5.2.1.1.1 Coupe
La coupe des tubes peut être exécutée par sciage, par tronçonnage ou au moyen d'un coupe-tube à molettes ou à couteaux.
L'emploi du chalumeau oxycoupeur n'est autorisé que pour les tubes de diamètre extérieur supérieur ou égal à 108 mm et à condition que le revêtement de zinc intérieur et extérieur soit reconstitué après coupe, par métallisation après brossage.
5.2.1.1.2 Filetage
Le filetage doit être conforme à l'une des normes suivantes : NF EN 10226-1, NF EN 10226-2 ou NF EN ISO 228-1.
Les filets obtenus doivent présenter un profil régulier, sans arrachement de métal. Le filetage intérieur (ou taraudage) des tubes n'est pas autorisé.
Les huiles de coupe utilisées doivent être adaptées aux travaux sur canalisation de distribution d'eau destinée à la consommation humaine.
5.2.1.1.3 Cintrage
Les tubes de diamètre extérieur supérieur à 60.3 mm ne doivent pas être cintrés.
Le cintrage doit être effectué mécaniquement et uniquement à froid.
Après cintrage, le coefficient d'ovalisation dans une section quelconque, défini par
doit être inférieur à 0,20, DM et Dm étant les diamètres extérieurs maximal et minimal mesurés dans cette section.
5.2.1.1.4 Perçage
Le perçage des tubes en vue d'un piquage doit être effectué à froid.
Toutefois, l'emploi d'un chalumeau est autorisé pour les tubes de diamètre extérieur supérieur ou égal à 108 mm, sous réserve que :
le trou obtenu soit d'un diamètre égal ou supérieur à 40 mm :
le revêtement de zinc intérieur et extérieur soit reconstitué après perçage par métallisation après brossage.
5.2.1.1.5 Nettoyage et finition
Après façonnage, les bavures et limailles doivent être éliminées.
Les tubes doivent être examinés avant montage pour contrôler le bon état du revêtement intérieur au voisinage des extrémités et celui du revêtement extérieur sur toute la longueur.
Si le revêtement intérieur présente un défaut de continuité, il doit être remis en état par métallisation après brossage. Si cette remise en état est impossible, le tube doit être mis au rebut.
5.2.1.2 Assemblage
5.2.1.2.1 Assemblages des tubes en acier galvanisés entre eux
5.2.1.2.1.1 Assemblages vissés
Les tubes d'acier galvanisés filetés sont assemblés au moyen de pièces de raccord en fonte malléable galvanisées ou en acier galvanisé. Les matériaux d'étanchéité utilisables sont définis dans le NF DTU 60.1 P1-2.
5.2.1.2.1.2 Assemblages par soudo-brasage
Les tubes d'acier galvanisés peuvent être assemblés par soudo-brasage, soit directement, soit par l'intermédiaire de raccords en acier galvanisés.
La disposition relative des pièces (tubes ou raccords) peut être l'une des suivantes :
assemblage bord à bord : les diamètres extérieurs des deux pièces doivent être égaux, avec une tolérance de 3 mm :
assemblage par emboîtement (slip-joint) :
assemblage angulaire (piquages) (voir 5.2.1.2.1.7).
Le matériel et les fournitures utilisés ainsi que le mode d'exécution du soudo-brasage, doivent s'opposer à la formation d'oxydes.
Après exécution, le cordon de soudo-brasage doit se raccorder sans angle vif sur les pièces assemblées : la surface intérieure de l'assemblage ne doit présenter ni saillie, ni cavité, ni porosité.
5.2.1.2.1.3 Assemblage par soudage autogène
Le soudage autogène n'est pas autorisé pour l'assemblage des tubes galvanisés, quel que soit le mode de chauffage.
5.2.1.2.1.4 Assemblage par brasage capillaire
Les assemblages par brasage capillaire ne sont pas autorisés.
5.2.1.2.1.5 Assemblage par raccord à compression
L'assemblage des extrémités non filetées des tubes peut être effectué au moyen de raccords à compression. Le raccordement est obtenu par compression d'une bague ou d'un manchon sur la paroi extérieure d'un tube.
Lorsque des raccords en fonte ou en acier sont utilisés, ceux-ci doivent être galvanisés intérieurement et extérieurement.
5.2.1.2.1.6 Assemblages par brides
L'assemblage des brides sur la canalisation peut se faire par vissage ou par soudo-brasage.
Les faces des brides doivent être parfaitement propres avant l'assemblage et la séquence de serrage des boulons doit permettre d'assurer une pression constante sur tout le pourtour.
Il convient de dégager les brides et les faces du joint de toute graisse, peinture bitumeuse, huile, saleté ou eau. Il convient également de s'assurer que le contact entre la bride et la face du joint est un contact entre du métal sec et un élastomère sec et propre.
5.2.1.2.1.7 Piquages
Ce paragraphe concerne uniquement les piquages « directs » réalisés sans interposition d'une pièce spéciale (té, collier de prise).
Les assemblages par piquage doivent respecter les prescriptions du 5.2.1.1.4 (perçage) et du 5.2.1.2.1.2 (soudo-brasage).
Les tubes ne doivent former aucune saillie à l'intérieur l'un de l'autre. La surface intérieure dans la zone de raccordement doit être régulière et sans aspérités.
5.2.1.2.2 Assemblages des tubes d'acier galvanisés avec des tubes ou tuyaux en matériaux différents
Les matériaux envisagés sont principalement le cuivre, le PVC, le polyéthylène et la fonte.
5.2.1.2.2.1 Assemblages vissés
Les assemblages avec des tubes en matières plastiques (PVC ou polyéthylène) peuvent être effectués par des raccords mixtes comportant, du côté du tube d'acier, un filetage de type courant. Du côté du tube en matière plastique, l'assemblage est conforme aux prescriptions concernant chaque matériau.
5.2.1.2.2.2 Assemblage par raccords à compression
Les raccords à compression peuvent être utilisés pour assembler des tubes d'acier galvanisés avec tubes ou tuyaux en cuivre, en PVC, en polyéthylène ou en fonte.
5.2.1.2.2.3 Assemblage par brides
Ce mode d'assemblage peut convenir avec les tubes et tuyaux en tous matériaux.
Les prescriptions du 5.2.1.2.1.6 s'appliquent à la bride montée sur le tube galvanisé.
5.2.1.2.2.4 Piquages
Le piquage d'un tube de cuivre sur un tube d'acier galvanisé peut être réalisé par soudo-brasage dans les conditions prévues au 4.2.2.
Toutefois, le piquage d'un tube de cuivre sur un circuit bouclé en acier galvanisé faisant partie d'une distribution d'eau chaude ne doit pas être réalisé par piquage direct : il est nécessaire d'interposer soit une pièce de raccord (té par exemple), soit une tubulure en acier galvanisé de longueur minimale 0,05 m.
Le piquage d'un tube d'acier galvanisé sur un tuyau en fonte, en PVC ou en polyéthylène, peut être réalisé au moyen d'une pièce de raccord ou d'un « collier de prise en charge ».
5.2.1.2.3 Assemblages de tubes d'acier galvanisés avec des appareils de robinetterie ou autres (pompes, compteurs, ballons, filtres...)
Ces assemblages peuvent être réalisés :
par vissage (soit directement, soit par l'intermédiaire de raccords taraudés ou filetés) ;
par brides, conformément aux prescriptions du 5.2.1.2.1.6 ;
par raccords à compression ;
par raccords spéciaux.
5.2.2 Assemblage de tubes en cuivre
Les spécifications du NF DTU 60.5 P1-1 sont applicables.
5.2.3 Assemblage de tubes en PVC
Les spécifications du NF DTU 60.31 P1-1 sont applicables.
5.2.4 Assemblage de tubes en acier inoxydable
5.2.4.1 Façonnage
Les techniques de découpe à froid peuvent être utilisées avec l'acier inoxydable. Les tuyaux doivent être coupés en longueur à l'aide de scies des coupe-tubes ou des outils équivalents. Il ne faut pas utiliser de scie refroidie à l'huile ou de chalumeau d'oxycoupage. Avant le raccordement, les extrémités des tuyaux doivent être ébavurées à l'intérieur et à l'extérieur.
Les tuyaux en acier inoxydable des systèmes d'alimentation en eau dont le diamètre extérieur est inférieur à 28 mm peuvent être cintrés à froid avec un rayon minimal de 3,5 fois le diamètre extérieur, à l'aide des outils de cintrage disponibles dans le commerce.
5.2.4.2 Assemblage
5.2.4.2.1 Assemblage par soudage
Les tubes peuvent être assemblés par soudage.
Le soudage de l'acier inoxydable requiert un équipement spécial.
5.2.4.2.2 Assemblage par raccord à compression
L'assemblage des extrémités non filetées des tubes peut être effectué au moyen de raccords à compression. Le raccordement est obtenu par compression d'une bague ou d'un manchon sur la paroi extérieure d'un tube.
5.2.4.2.3 Assemblages par brides
Les faces des brides doivent être parfaitement propres avant l'assemblage et la séquence de serrage des boulons doit permettre d'assurer une pression constante sur tout le pourtour.
Il convient de dégager les brides et les faces du joint de toute graisse, peinture bitumeuse, huile, saleté ou eau. Il convient également de s'assurer que le contact entre la bride et la face du joint est un contact entre du métal sec et un élastomère sec et propre.
5.2.4.2.4 Assemblages par raccords à sertir
Pour les assemblages des tubes en acier inox avec des tubes en cuivre à l'aide de raccords à sertir, les spécifications du NF DTU 60.5 P1-1 s'appliquent.
Pour les autres matériaux, se référer aux Avis Techniques 3 sur ces systèmes d'assemblage lorsqu'ils existent.
Ou leur équivalent dans les conditions indiquées dans l'avant-propos.
5.2.5 Tubes en polyéthylène
Ce paragraphe concerne le raccordement des tubes de branchement en polyéthylène au réseau intérieur.
5.2.5.1 Raccords mécaniques
Ce sont des raccords à compression métalliques ou plastiques. Le mode opératoire est le suivant :
couper le tube PE à la longueur désirée à l'aide d'un outil adapté (coupe-tubes) après s'être assuré que le tube était propre et non endommagé ;
s'assurer que les pièces du raccord sont propres ;
-
chanfreiner si nécessaire l'extrémité du tube ;
NOTE 1Cette opération peut être recommandée par le fabricant de raccord ;
-
mettre en place le raccord et effectuer le serrage au couple préconisé.
NOTE 2La mise en place du raccord peut faire l'objet d'instructions particulières du fabricant.
5.2.5.2 Raccords mixtes
Des raccords mixtes, PE électro-soudables d'un côté et de l'autre filetés, taraudés ou à écrou tournant peuvent être utilisés.
Le raccordement par électro-soudage nécessite du matériel spécifique.
La mise en place du raccord peut faire l'objet d'instructions particulières du fabricant.
5.2.6 Assemblages des tubes en matériaux de synthèse
5.2.6.1 Assemblages par raccord à compression
(Amendement A1)
« Les raccords à compression sont des raccords métalliques ou plastiques.
Le mode opératoire est le suivant :
couper le tube à angle droit à la longueur désirée à l'aide d'un outil adapté (coupe-tubes) après s'être assuré que le tube était propre et non endommagé ;
s'assurer que les pièces du raccord sont propres ;
-
chanfreiner si nécessaire l'extrémité du tube ;
NOTE 1Cette opération peut être recommandée par le fabricant de raccord ;
-
mettre en place le raccord et effectuer le serrage.
NOTE 2La mise en place du raccord peut faire l'objet d'instructions particulières du fabricant.
L'assemblage par raccords à compression est considéré comme démontable. »
5.2.6.2 Assemblage par raccord à sertir
5.2.6.2.1 Assemblages par raccords à sertissage radial
(Amendement A1)
« Les raccords à sertissage radial sont des raccords métalliques ou plastiques.
Le mode opératoire est le suivant :
couper le tube à angle droit à la longueur désirée à l'aide d'un outil adapté (coupe-tubes) après s'être assuré que le tube était propre et non endommagé ;
s'assurer que les pièces du raccord sont propres et que la bague isolante est bien présente ;
chanfreiner et recalibrer l'extrémité du tube avant tout emboitement du raccord afin de ne pas endommager le ou les joints d'étanchéité ;
si la douille est pré-montée, introduire le tube jusqu'en butée entre l'insert et la douille.
si la douille n'est pas pré-montée, monter la douille dans le tube, puis introduire l'insert du raccord jusqu'en butée
à l'aide de pince à sertir et des matrices de profil et dimensions adaptées, procéder au sertissage.
La mise en place du raccord peut faire l'objet d'instructions particulières du fabricant.
Pour l'assemblage des canalisations multicouches, les raccords métalliques doivent être munis d'une bague isolante pour laprotection diélectrique.
L'assemblage par sertissage radial est indémontable. »
5.2.6.2.2 Assemblage par raccords à sertissage axial (ou à glissement)
(Amendement A1)
« Les raccords à sertissage axial sont des raccords métalliques ou plastiques.
Le mode opératoire est le suivant :
couper le tube à angle droit à la longueur désirée à l'aide d'un outil adapté (coupe-tubes) après s'être assuré que le tube était propre et non endommagé ;
s'assurer que les pièces du raccord sont propres ;
-
chanfreiner si nécessaire l'extrémité du tube ;
NOTE 1Cette opération peut être recommandée par le fabricant de raccord.
monter la bague sur le tube, en l'écartant suffisamment de l'extrémité du tube afin de ne pas l'endommager lors de l'expansion.
expanser l'extrémité du tube destinée à recevoir le raccord, à l'aide de l'outil adapté aux dimensions et à la nature du tube.
-
procéder au sertissage en faisant glisser la bague jusqu'en butée à l'aide de l'outillage à glissement adapté au raccord.
NOTE 2La mise en place du raccord peut faire l'objet d'instructions particulières du fabricant.
L'assemblage par sertissage axial est indémontable. »
5.2.6.3 Assemblages avec d'autres raccords
5.2.6.3.1 Assemblages par raccord instantané (à emboitement)
(Amendement A1)
« Les raccords instantanés sont des raccords métalliques ou plastiques.
Le mode opératoire est le suivant :
couper le tube à angle droit à la longueur désirée à l'aide d'un outil adapté (coupe-tubes) après s'être assuré que le tube était propre et non endommagé ;
s'assurer que les pièces du raccord sont propres ;
-
chanfreiner si nécessaire l'extrémité du tube ;
NOTE 1Cette opération peut être recommandée par le fabricant de raccord.
-
introduire le tube jusqu'en butée dans le raccord
NOTE 2La mise en place du raccord peut faire l'objet d'instructions particulières du fabricant.
NOTE 3L'assemblage par raccord instantané est soit démontable ou indémontable. Il y a lieu de se référer à la documentation du fabricant pour vérifier cette information »
5.2.6.3.2 Assemblages par d'autres raccords
(Amendement A1)
« Il s'agit de raccords à brides ou à joints plats selon les termes des parties 3 des NF EN ISO 15875, NF EN ISO 15876 et NF EN ISO 21003.
Leurs spécifications sont définies dans la partie P1-2 (CGM) du présent DTU.
Ces raccords sont mis en oeuvre selon des modes opératoires spécifiques aux fabricants.
L'assemblage de ces raccords est soit démontable ou indémontable. Il y a lieu de se référer à la documentation du fabricant pour vérifier cette information »
5.2.6.3.3 Assemblage par raccord mixte
(Amendement A1)
« Des raccords mixtes, de type cité aux articles ci-avant d'un côté et de l'autre filetés, taraudés ou à écrou tournant peuvent être utilisés.
L'assemblage par raccord mixte est démontable. »
5.3 Fourreaux
Le diamètre intérieur des fourreaux doit respecter les dispositions suivantes (voir aussi Tableau 2) :
si le tube est mis en place après la pose du fourreau le taux de remplissage (rapport entre la section du tube et la section du fourreau) est de 60 % ;
si le tube est mis en place avec fourreau ou dans un fourreau aiguillé, le taux de remplissage est de 73 %.
 : Plomberie sanitaire pour bâtiments/NF DTU 60.1 P1-1-1 (décembre 2012)/image/tab_AESK_2_2.png)
Tableau 2 Règles de pose des fourreaux en fonction du diamètre extérieur du tube
Il est possible d'introduire 2 ou 3 tubes, transportant de l'eau de même température, dans un même fourreau avec un taux de remplissage de 30 %.
Le rayon de courbure du fourreau doit être supérieur au rayon de courbure minimal admis sur le tube qui y est introduit, c'est-à-dire généralement 5 fois le diamètre extérieur du tube.
Dans le cas de planchers ou dallages armés, les fourreaux sont mis en place et fixés directement sur le ferraillage inférieur. Ils doivent par ailleurs respecter les spécifications suivantes :
présenter, sauf localement, une distance horizontale entre fourreaux au moins égal à leur diamètre avec un minimum conforme aux dispositions du 5.7.2 ;
ne pas occuper, au droit des croisements ou empilages localisés, plus de la demi-épaisseur du béton coulé en place.
Ces dispositions ont pour but de permettre un enrobage par le béton au moins égal au diamètre du fourreau, avec un minimum de 50 mm conformément au NF DTU 21. Dans le cas de chape ou dalle flottante, les fourreaux peuvent reposer directement sur l'isolant.
Les fourreaux doivent être continus en dehors des points fixes.
Pour les fourreaux en plancher, le fourreau doit dépasser le niveau du sol fini, à l'entrée et à la sortie, d'au moins 30 mm.
5.4 Pose sur support en aérien
Cet article concerne la pose en apparent ou en dissimulé sous gaine technique ou coffrage.
5.4.1 Prise en compte de la dilation
La libre dilatation des canalisations posées en apparent doit pouvoir se faire sans entrainer de désordres aux supports, aux accessoires (en particulier robinetterie) et aux traversées de parois. Celle-ci peut se faire :
par des changements de direction ;
par des lyres de dilatation ;
par des compensateurs de dilatation.
Dans ce cas, se référer au fascicule de documentation FD T 47-310.
La dilatation est calculée en appliquant la formule suivante :
ΔL = ΔT x α x L
ΔL variation de longueur (mm)
ΔT différence de température (K)
α coefficient de dilatation thermique (mm/m/K) (voir Tableau 3)
L longueur du tube (m)
(Amendement A1) : Plomberie sanitaire pour bâtiments/NF DTU 60.1 P1-1-1 (décembre 2012)/image/tab_AESK_2_3.png)
Tableau 3 Valeur des coefficients de dilatation
Les points rendus fixes sont réalisés de façon à résister aux efforts (voir 5.4.2).
Les raccordements au niveau des appareils sanitaires et des robinetteries constituent des points fixes.
L'Annexe B précise les dispositions pour calculer les bras flexibles ou les lyres de dilatation.
5.4.2 Fixation des canalisations
5.4.2.1 Généralités
Les canalisations sont fixées à la structure ou la paroi à l'aide de colliers. La fixation (ou support) doit être capable de supporter la canalisation en service. Les fixations (percement, scellement) doivent être compatibles avec la nature de la paroi. Elles ne sont pas autorisées dans les éléments en béton précontraint (poutrelles, poteaux, murs…).
Dans les vides sanitaires et autres locaux humides, les supports doivent être en matériaux résistants à la corrosion tels qu'acier galvanisé ou peint, matières plastiques, laiton, etc.
Aucun tube ne doit être attaché à un autre tube ou utilisé comme support pour d'autres tubes.
5.4.2.2 Fixations des tubes métalliques
Les canalisations en cuivre sont mises en oeuvre conformément au NF DTU 60.5 P1-1.
Pour fixer les canalisations en acier inoxydable, il faut utiliser des étriers ou des colliers, en alliage de cuivre, en acier inoxydable ou en plastique.
Les colliers en acier doivent être munis d'un isolant.
Les canalisations en acier galvanisé à chaud doivent être attachées à l'aide d'étriers ou de colliers en acier galvanisé ou en matière plastique. Il ne faut pas utiliser d'étriers ou de colliers en cuivre pour fixer les canalisations en acier galvanisé.
Les canalisations en acier galvanisé et en acier inoxydable doivent respecter les prescriptions du Tableau 4 :  : Plomberie sanitaire pour bâtiments/NF DTU 60.1 P1-1-1 (décembre 2012)/image/tab_AESK_2_4.png)
Tableau 4 Écartement maximum des fixations
5.4.2.3 Fixations des tubes en plastique
Les canalisations en plastique doivent être attachées à l'aide d'étriers ou de colliers appropriés en métal ou en plastique. Le mouvement latéral dans l'étrier ou le collier doit être rendu possible, sauf dans le cas des points d'ancrage.
Les canalisations en PVC-U sont fixées selon le NF DTU 60.31 P1-1.
Pour les autres canalisations, les prescriptions sont différentes selon les cas rencontrés :
fixation sur support discontinu ;
fixation sur support continu.
(Amendement A1) « Pour les canalisations en PE-X, PB ou multicouches, les supports et colliers métalliques doivent être munis d'une protection sur leur face en contact avec le tube (par exemple élastomère).
Les supports comportant des arêtes vives ne sont pas admis. »
5.4.2.3.1 Fixation sur support discontinu
La Figure 2 donne le principe de fixation sur support discontinu.
(Amendement A1) « La distance maximale entre support pour les canalisations (hors canalisations en PE-X, PB et multicouches) est définie dans le Tableau 5a. »
 : Plomberie sanitaire pour bâtiments/NF DTU 60.1 P1-1-1 (décembre 2012)/image/fig_AESK_2_2.png)
Figure 2 Fixation sur support discontinu
 : Plomberie sanitaire pour bâtiments/NF DTU 60.1 P1-1-1 (décembre 2012)/image/tab_AESK_2_51.png)
Tableau 5a Écartement entre support
(Amendement A1) « Pour les canalisations en PE-X, PB et multicouches, les distances entre supports des canalisations horizontales sont données dans le tableau 5b Ecartement entre supports - Tubes en PE-X PB et multicouches.
Pour les canalisations verticales les distances entre support sont les valeurs retenues en horizontal (L1) multipliées par 1,3.
 : Plomberie sanitaire pour bâtiments/NF DTU 60.1 P1-1-1 (décembre 2012)/image/tab_AESK_2_52.png)
Tableau 5b Écartement entre support - Tubes en PE-X, PB et multicouches
Les valeurs du Tableau 5b sont données en l'absence de spécifications du fabricant. »
5.4.2.3.2 Fixation sur support continu
Les canalisations sont placées sous fourreau rigide ou sur goulotte ou guide continu selon les dispositions de la Figure 3.
 : Plomberie sanitaire pour bâtiments/NF DTU 60.1 P1-1-1 (décembre 2012)/image/fig_AESK_2_3.png)
Figure 3 Fixation sur support continu
Dans tous les cas, l'écartement (L1) entre colliers de fixation dépend de la nature du fourreau ou de la goulotte et est au maximum de 1,5 m.
Dans le cas où les canalisations sont fixées à une goulotte, le Tableau 6 donne l'espacement entre fixations de maintien.
 : Plomberie sanitaire pour bâtiments/NF DTU 60.1 P1-1-1 (décembre 2012)/image/tab_AESK_2_61.png)
Tableau 6a Diamètre des canalisations
(Amendement A1) : Plomberie sanitaire pour bâtiments/NF DTU 60.1 P1-1-1 (décembre 2012)/image/tab_AESK_2_62.png)
Tableau 6b Ecartement L2 entre support pour les canalisations PE-X, PB et multicouches
Les valeurs du Tableau 6b sont données en l'absence de spécifications du fabricant. »
Les canalisations en matériau de synthèse semi-rigide en couronne peuvent reposer directement sur le support horizontal et la dilatation est assurée par ondulation des tubes. Les tubes doivent être guidés afin d'éviter les mouvements verticaux.
En cas de pose sur chemin de câble, celui-ci a une largeur minimale de 1,4 fois la somme des diamètres extérieurs des tubes pour éviter les déplacements verticaux et une barrette de maintien doit être prévue tous les mètres.
5.4.2.4 Fixations des canalisations calorifugées
Les canalisations isolées ou dont l'isolation est prévue doivent être attachées à l'aide d'étriers ou de colliers avec suffisamment d'espace entre le tube et la surface (tasseau ou mur) à laquelle le tube est fixé pour une installation correcte de l'isolant.
En sous-sol, local technique, vide sanitaire, galerie ou vide technique, les supports doivent être fixés au gros oeuvre et l'espace minimal entre le revêtement extérieur de canalisations calorifugées d'allure horizontale et le sol est de 0,15 m.
Cette garde de 0.15 m permet le nettoyage du sol et limite les risques d'humidification du calorifuge.
Les travaux d'isolation des canalisations relèvent du NF DTU 45.2.
5.4.3 Traversée de parois (murs et planchers)
5.4.3.1 Généralités
Les traversées de paroi par les canalisations doivent se faire avec fourreaux, sauf s'il s'agit de point fixe.
Il est rappelé que la réglementation incendie peut être contraignante sur ce point.
Si un percement est pratiqué pour le passage de la canalisation, il ne doit pas compromettre la stabilité du gros oeuvre, ni l'étanchéité à l'eau ou à l'air ou la protection à l'eau le cas échéant.
Le diamètre intérieur du fourreau et son remplissage éventuel doivent tenir compte, s'il y a lieu, des contraintes imposées par les phénomènes de dilatation ou d'acoustique et notamment :
la pose des fourreaux doit respecter les prescriptions du 5.3 ;
les piquages ainsi que les assemblages mécaniques tube à tube ne sont pas autorisés dans l'épaisseur d'une cloison, à l'exception des raccordements de douche, et dans la limite des prescriptions spécifiques aux différents matériaux (voir NF DTU 60.31 P1-1 et NF DTU 60.5 P1-1) ;
le rebouchage des réservations dans les parois après mise en place des canalisations ou fourreaux ne doit pas modifier la position de ces derniers ni les endommager.
Lorsqu'un assemblage de quelque type que ce soit est placé à proximité de la traversée de la paroi, la distance doit être suffisante pour permettre la confection ou le montage de cet assemblage.
5.4.3.2 Prescriptions particulières aux traversées de chape ou dalle flottante
Dans la traversée, la canalisation est à l'intérieur d'un fourreau.
Le fourreau doit dépasser de 3 cm du niveau du sol fini.
Les fourreaux doivent être mis en oeuvre avant exécution de la chape ou dalle flottante.
Un joint souple doit être mis en place entre la canalisation et le fourreau si le plancher se trouve au dessus d'un local non chauffé ou sur l'extérieur.
Un exemple est donné dans la Figure 4.
 : Plomberie sanitaire pour bâtiments/NF DTU 60.1 P1-1-1 (décembre 2012)/image/fig_AESK_2_4.png)
Figure 4 Exemple de traversée de chape ou de dalle flottante en local sec
5.4.3.3 Traversée de plancher et dalles
Dans le cas de traversée de plancher intérieur, lorsque qu'une protection à l'eau est prévue, les prescriptions applicables sont celles du document de référence du système de protection à l'eau (voir NF DTU 43.6).
5.5 Passage en vide sanitaire
Est réputé accessible un vide sanitaire présentant l'ensemble des caractéristiques suivantes :
accès de surface minimum 0,60 m2, la plus petite dimension étant au moins égale à 0,60 m ;
-
hauteur libre minimale :
en maison individuelle, cette hauteur libre est de 0,60 m minimum ;
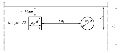
en habitat collectif et autre bâtiment (tertiaire, hôpitaux…), la hauteur libre générale est de 0,60 m minimum. Elle est de 1,30 m au droit des canalisations et sur une certaine largeur de part et d'autre (tranché technique) selon la Figure 5. Cette hauteur libre peut être ramenée à 1,00 m sous des saillies linéaires du gros oeuvre ne supportant pas, par en dessous, des canalisations. La hauteur libre minimale de 1,30 m doit régner à partir de l'accès du vide sanitaire sur un parcours permettant l'accès à toutes les canalisations.
 : Plomberie sanitaire pour bâtiments/NF DTU 60.1 P1-1-1 (décembre 2012)/image/fig_AESK_2_5.png)
Figure 5 Passage en vide sanitaire
Seules les canalisations d'eau froide sanitaire sont autorisées dans les vides sanitaires non accessibles, à condition qu'elles ne comportent ni accessoire, ni assemblage (raccord, soudure, collage, bague d'étanchéité…).
5.6 Pose en dissimulé
Ces canalisations doivent être installées dans des caniveaux ou des gaines verticales permettant l'accès pour la maintenance et l'inspection.
Les raccords démontables doivent être accessibles. Cette accessibilité peut être réalisée par des trappes de visites ou des panneaux démontables d'ouverture minimale 0,40 m x 0,60 m.
Il est rappelé que la réglementation incendie peut être contraignante sur ce point.
5.7 Pose en incorporé
5.7.1 Généralités
Les différents types d'incorporation sont les suivants :
canalisation enrobée : canalisation noyée dans les éléments de gros oeuvre directement ou avec un fourreau ;
canalisation encastrée : canalisation mise en place directement ou avec un fourreau dans un emplacement réservé dans le gros oeuvre puis enrobée avec un matériau compatible ;
canalisation engravée : canalisation mise en place directement ou avec un fourreau dans une saignée réalisée après coup dans le gros oeuvre puis enrobée avec un matériau compatible.
Dans les planchers, les canalisations peuvent être enrobées ou encastrées.
Dans les autres éléments de gros oeuvre pris en compte dans la stabilité du bâtiment (poteaux, poutres, murs porteurs, éléments précontraints, etc.), les canalisations ne peuvent être qu'encastrées.
Dans le cas de planchers, l'enrobage ou l'encastrement d'une canalisation reposant directement sur un entrevous n'est autorisé que pour le cuivre et le plastique sous certaines conditions :
la canalisation cuivre est gainée (voir NF DTU 60.5 P1-2) ;
l'enrobage est de 50 mm minimum.
L'enrobage ou l'encastrement de tuyauterie en acier galvanisé ou en cuivre est autorisé avec fourreau dans les bétons et mortiers.
(Amendement A1)« L'enrobage ou l'encastrement de tuyauterie en cuivre, PE-X, PB et multicouches est autorisé dans le plâtre. »
L'enrobage de canalisations dans le mortier de pose des carrelages scellés n'est pas autorisé.
Les saignées dans les éléments porteurs (dalles, poteaux, voiles porteurs, ...) ne sont pas autorisées.
Les saignées dans les éléments non porteurs ne doivent pas compromettre la stabilité de ces derniers ; en particulier, il ne doit pas y avoir de sectionnement d'armatures.
Le franchissement d'un joint de gros oeuvre par les canalisations doit être réalisé de façon telle que le fonctionnement mécanique de ce joint (mouvement relatif des deux bords) soit possible sans détérioration de la canalisation ni du gros oeuvre ni détérioration de la protection à l'eau ou de l'étanchéité le cas échéant.
Selon le cas, la mise en place d'éléments spéciaux de tuyauterie (lyre, esse), ou la désolidarisation de la canalisation et du gros oeuvre sur une certaine longueur, de part et d'autre du joint, peut être envisagée.
En cas de présence d'eau, ces joints n'étant pas étanches, les canalisations doivent pouvoir résister à l'humidité au franchissement.
La périphérie des dalles sur terre-plein peut, selon les dispositions constructives, être de nature semblable à un joint de gros oeuvre.
Il n'est pas autorisé de poser les canalisations de plomberie sanitaire dans l'épaisseur d'un isolant thermique ou phonique.
(Amendement A1) « Les canalisations en PE-X, PB et multicouches doivent être mises sous fourreaux dès lors que la température de fluide est susceptible de dépasser 60°C. »
5.7.2 Prescriptions relative aux distances d'enrobage
5.7.2.1 Planchers en dalles pleines (NF DTU 21)
Les canalisations, gaines ou fourreaux incorporés doivent :
être situés entre les nappes d'armature, (lorsqu'elles existent), de chacune des deux faces ;
permettre un enrobage par le béton au moins égal au diamètre de la plus grosse gaine, avec un minimum de 5 cm ;
présenter, sauf localement, une distance horizontale entre elles au moins égale à leur diamètre, avec un minimum de 5 cm ;
au droit des croisements ou empilages localisés, ne pas occuper plus de la demi-épaisseur et permettre un bétonnage correct des zones de concentration ponctuelle de gaines au voisinage des raccordements dans les boîtiers.
Ces dispositions sont reprises dans la Figure 6.
 : Plomberie sanitaire pour bâtiments/NF DTU 60.1 P1-1-1 (décembre 2012)/image/fig_AESK_2_6.png)
Figure 6 Enrobages en dalle pleine
5.7.2.2 Planchers à dalles alvéolées préfabriquées en béton (NF DTU 23.2)
Le passage des gaines lorsqu'il s'effectue au-dessus des dalles alvéolées doit s'effectuer en dehors des clavetages, soit dans la dalle collaborante rapportée, soit dans un ravoirage au-dessus du plancher, ou dans les alvéoles.
Lorsque les gaines et canalisations sont placées dans la dalle collaborante, elles doivent satisfaire les dispositions suivantes :
permettre un enrobage par le béton au moins égal au diamètre de la plus grosse gaine, avec un minimum de 20 mm ;
présenter, sauf localement, une distance horizontale entre elles, au moins égale à leur diamètre, avec un minimum de 40 mm ;
au droit des croisements ou empilages localisés, ne pas occuper plus de la demi-épaisseur de la dalle collaborante, avec un enrobage par le béton au moins égal au diamètre de la plus grosse gaine, avec un minimum de 20 mm.
5.7.2.3 Planchers à prédalles industrialisées en béton (NF DTU 23.4)
L'encombrement d'une gaine (ou d'un groupe de gaines) ne peut être supérieur à la demi-épaisseur du béton complémentaire, sauf prescription contraire des documents particuliers du marché (DPM).
La distance libre entre deux gaines (ou deux groupes de gaines) est au moins égale à l'épaisseur du plancher.
La gaine (ou le groupe de gaines) doit présenter un enrobage minimal de 30 mm par rapport à la fibre supérieure du plancher. Cette valeur d'enrobage pourra être augmentée pour les planchers comportant des renforts sur prédalles, dans le cas d'armatures supérieures de forte section et/ou pour vérifier des enrobages d'armatures accrus.
Ces dispositions sont reprises dans la Figure 7.
 : Plomberie sanitaire pour bâtiments/NF DTU 60.1 P1-1-1 (décembre 2012)/image/fig_AESK_2_7.png)
Figure 7 Dispositions de gaines dans le plancher
5.7.3 Prescriptions relatives aux piquages et assemblages
Les piquages ne sont pas autorisés sauf ceux situés au droit d'un appareil sanitaire.
Sauf si des dispositions locales permettent l'accès ou le démontage :
les seuls assemblages autorisés sont les assemblages indémontables (soudés, collés ou sertis) ;
les canalisations ne doivent comporter ni compensateurs, ni robinetterie.
Un assemblage est considéré comme indémontable s'il n'est possible de dissocier le tube du raccord que par coupure du tube.
(Amendement A1) « La protection externe des canalisations doit être reconstituée au droit des piquages et des assemblages métalliques. »
La protection peut être constituée d'une bande adhésive, d'une bande imprégnée ou de tout autre dispositif figurant dans les documentations du fabricant.
5.7.4 Canalisations placées dans l'épaisseur d'une cloison
Les seuls assemblages autorisés sont les assemblages indémontables (soudés, collés ou sertis).
Les piquages ne sont pas autorisés sauf ceux situés au droit d'un appareil sanitaire.
Les robinetteries ou accessoires autorisés sont seulement ceux à usage sanitaire spécialement conçus pour être encastrés ou engravés.
5.7.4.1 Cas des cloisons en carreaux de plâtre ou en briques plâtrières
Seul l'engravement avec fourreau est autorisé dans les carreaux de plâtre d'épaisseur minimale 70 mm ou dans les briques plâtrières d'épaisseur minimale 50 mm (voir Figure 8).
L'épaisseur de la cloison finie avec briques plâtrières est, dans ce cas, de l'ordre de 70 mm (voir Figure 9).
Les saignées dans les carreaux de plâtre sont effectuées à la rainureuse, à l'exclusion du burin, Si plusieurs saignées sont nécessaires sur un même panneau de cloison, elles doivent être toutes du même côté de la cloison (voir Figure 10).
Les saignées dans les briques plâtrières sont effectuées à la rainureuse ; le burin est admis. Si plusieurs saignées sont nécessaires sur une même brique de cloison, elles doivent être toutes du même côté de la cloison (voir Figure 10).
Les prescriptions relatives au positionnement dans les cloisons sont rappelées dans le Tableau 7.
 : Plomberie sanitaire pour bâtiments/NF DTU 60.1 P1-1-1 (décembre 2012)/image/tab_AESK_2_7.png)
Tableau 7 Cloisons en carreaux de plâtre ou en briques plâtrières
 : Plomberie sanitaire pour bâtiments/NF DTU 60.1 P1-1-1 (décembre 2012)/image/fig_AESK_2_8.png)
Figure 8 Engravement dans carreaux de plâtre
Figure 9 Engravement dans brique plâtrière
Figure 10 Tracé des saignées — Elévation
5.7.4.2 Cloison à plaques de parement sur ossature et cloison en panneau composite : plaques de parement assemblées sur un cadre ou sur une âme
Par exemple, plaque de plâtre collée sur un réseau alvéolaire cartonné.
Le passage direct (sans fourreau) des canalisations entre les plaques de parement est autorisé en respectant les prescriptions des canalisations non accessibles.
5.8 Pose en enterré
Les dispositions de ce paragraphe s'appliquent aux canalisations enterrées dans des zones non soumises à des charges et surcharges extérieures (roulantes ou non), en complément des prescriptions du fascicule 71 du CCTG.
Les canalisations d'eau chaude sanitaire doivent être mises en oeuvre selon les prescriptions du NF DTU 65.9. Les canalisations à l'intérieur d'un caniveau doivent être accessibles.
Pour les canalisations d'eau froide, celles-ci doivent être disposées sur le lit de pose sans fourreau. Le fond de fouille est dressé ou corrigé à l'aide d'éléments fins et homogènes (terre épierrée, sable) damés de façon que les tuyauteries reposent sur le sol sur toute leur longueur.
Le remblayage de la fouille doit être exécuté en éléments fins et homogènes (terre épierrée, sable) jusqu'à 0,20 m au-dessus de la tuyauterie.
Au-delà, le remblayage est effectué en tout-venant par couches successives et damées.
Le parcours du réseau doit être signalé par un dispositif tel qu'un grillage avertisseur (voir norme NF EN 12613), placé à environ 0,20 m au-dessus de la génératrice supérieure des tubes.