8 Ouvrages particuliers
8.1 Mise en oeuvre des dispositifs d'évacuation des eaux usées et raccordement au revêtement d'étanchéité
Le raccordement du revêtement d'étanchéité aux conduits d'évacuation se fait par l'intermédiaire d'entrées qui doivent être :
en plomb de 2,5 mm d'épaisseur minimale ;
en cuivre de 6/10 mm d'épaisseur minimale ;
en acier inoxydable X2CrNi 18-10 de 5/10 mm d'épaisseur minimale.
Les entrées d'eaux sont constituées de deux parties : la platine et le moignon, assemblées entre elles de façon étanche.
La distance entre le bord du trou d'évacuation et le bord extrême de la platine ne doit pas être inférieure à 0,12 m (voir figure 14).
 : Etanchéité des planchers intérieurs en maçonnerie par produits hydrocarbonés/NF DTU 43.6 P1-1 (mars 2007)/image/fig_AAGR_1_14.png)
Figure 14 - Entrée d'eaux
Le raccordement direct de siphon ne comportant pas de platine n'est pas admis.
La platine enduite d'E.I.F., est insérée entre une feuille d'étanchéité supplémentaire en bitume élastomère SBS débordant de 0,05 m minimum du périmètre de la platine et la couche inférieure du revêtement d'étanchéité. Dans le cas de revêtement asphalte, la platine est insérée dans la première couche du revêtement en asphalte pur. Quand le complexe asphalte ne dispose pas d'une première couche en asphalte pur, la platine est insérée entre deux couches de feuilles d'étanchéité en bitume élastomère, visées dans un Avis Technique2 et prévues pour cet usage, recouvertes ensuite par le complexe asphalte.
Ou leurs équivalents dans les conditions indiquées dans l'avant-propos.
Afin de permettre la réalisation du joint sur le conduit d'évacuation, la longueur du moignon doit être telle que la distance entre la sous-face de la dalle et la partie supérieure du conduit d'évacuation soit d'environ 0,15 m.
Des siphons peuvent être placés à l'intérieur du dispositif de raccord et scellés dans le dallage de protection.
8.2 Etanchéité au droit des traversées et pénétrations
Les DPM définissent l'emplacement des traversées et le principe de leur raccordement.
Les canalisations qui traversent les planchers, hormis celles situées à l'intérieur des trémies réservées à cet effet, peuvent être raccordées à l'étanchéité :
-
soit par l'intermédiaire d'une pièce en plomb de 2,5 mm d'épaisseur. Cette pièce comporte une platine et un manchon assemblés l'un à l'autre par une soudure étanche. La distance entre le bord de la platine et le manchon est au minimum de 0,12 m. La hauteur du manchon est telle que son niveau supérieur dépasse d'une hauteur minimale de 0,15 m le niveau supérieur de la protection Le manchon est adossé au tuyau métallique ou au fourreau métallique solidaire du gros oeuvre. La platine est insérée entre les couches de revêtement de l'étanchéité de partie courante. Dans le cas de l'asphalte, la platine est insérée dans la première couche du revêtement en asphalte pur. Quand le complexe asphalte ne dispose pas d'une première couche en asphalte pur, la platine est insérée entre deux feuilles d'étanchéité en bitume élastomère visées dans un Avis Technique3 pour cet usage. recouvertes ensuite par le complexe asphalte.
3)Ou leurs équivalents dans les conditions indiquées dans l'avant propos.
NOTEUn dispositif s'opposant au passage de l'eau entre le tuyau et le manchon peut être nécessaire. Les D.P.M. prévoient alors sa réalisation et définissent qui en est chargé.
Cette solution n'est pas adaptée aux zones circulables aux piétons non privatives et aux zones accessibles aux véhicules.
Lorsque les canalisations raccordées contiennent en permanence ou accidentellement des fluides à une température supérieure à 40 °C, le dispositif de raccord entre la canalisation et le revêtement d'étanchéité doivent être isolés par un fourreau. Dans le cas contraire, les relevés d'étanchéité se font sur des costières conformes au paragraphe 5.2.4.
Soit par des relevés d'étanchéité mis en oeuvre sur des dés en béton dans lesquels sont noyées les traversées de canalisations. (voir figures 15 et 16).
 : Etanchéité des planchers intérieurs en maçonnerie par produits hydrocarbonés/NF DTU 43.6 P1-1 (mars 2007)/image/fig_AAGR_1_15.png)
Figure 15 - Tuyau métallique de canalisation avec dé en béton. Raccordement à l'étanchéité - Exemple
 : Etanchéité des planchers intérieurs en maçonnerie par produits hydrocarbonés/NF DTU 43.6 P1-1 (mars 2007)/image/fig_AAGR_1_16.png)
Figure 16 - Tuyau non métallique (PVC, fibres-ciment) avec dé en béton. Raccordement à l'étanchéité - Exemple
La hauteur minimale du relevé d'étanchéité sur le dé est de 0,10 m au-dessus du niveau fini.
Il est interdit de placer les joints de canalisation dans les dés et dans l'épaisseur de la maçonnerie (voir figure 17).
 : Etanchéité des planchers intérieurs en maçonnerie par produits hydrocarbonés/NF DTU 43.6 P1-1 (mars 2007)/image/fig_AAGR_1_17.png)
Figure 17 - Interdiction de réaliser des joints de canalisation scellés dans le béton
8.3 Escaliers
8.3.1 Etanchéité
La composition des revêtements d'étanchéité appliqués en partie horizontale et verticale de ces ouvrages est :
une couche d'E.I.F. ;
une feuille de bitume SBS type BE 35 soudée ;
une feuille de bitume élastomérique 35 autoprotégée, soudée ;
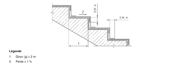
chaque feuille couvre une marche et une contremarche ; le recouvrement nécessaire est de 0,06 m minimum.
Ces dispositions ne visent pas les escaliers de giron (g) supérieur à 2 mètres.
Un schéma de principe de mise en oeuvre de ces revêtements est donné à la figure 18.
 : Etanchéité des planchers intérieurs en maçonnerie par produits hydrocarbonés/NF DTU 43.6 P1-1 (mars 2007)/image/fig_AAGR_1_18.png)
Figure 18 - Etanchéité d'escaliers - Schéma de principe
8.3.2 Protection
La protection tant en partie horizontale que verticale est réalisée conformément au paragraphe 7.1.2. Elle est complétée, au minimum sur les parties horizontales, par un revêtement de circulation tel que carrelage, éléments préfabriqués, ...
En principe, ce revêtement de circulation n'est pas à la charge de l'entreprise d'étanchéité
La protection des escaliers ne nécessite pas de joints de fractionnement entre marche et contremarche. En bordure des reliefs délimitant latéralement l'ouvrage, la protection comporte en partie horizontale et verticale un joint de fractionnement de largeur comprise entre 10 et 20 mm ; ce joint est garni d'un produit ou dispositif imputrescible apte aux déformations alternées.
8.4 Seuils
Le revêtement de la partie courante est prolongé dans l'emprise de la réservation. Il est mis en oeuvre en adhérence sur le support (voir figures 1 à 5).
8.5 Joints plats
Ces dispositifs sont de composition distincte de celle du revêtement auquel ils sont raccordés. Ils sont conçus et réalisés et protégés conformément aux Avis Techniques4.
Ou leurs équivalents dans les conditions indiquées dans l'avant-propos.
Ces joints, de réalisation difficile, doivent être évités au maximum (voir FD DTU 43.6 P3 guide à l'intention du Maître d'Ouvrage)
Ils ne peuvent être positionnés à moins de 0,50 m des parois verticales et poteaux.