Annexe A (normative) Classification des toitures-terrasses selon la constitution de l'élément porteur
La possibilité et les conditions de pose d'un revêtement d'étanchéité sur un support sont directement dépendantes de l'état de surface de ce support du point de vue, d'une part de sa planéité, d'autre part de l'ouverture (apparition ou variation d'ouverture) de fissures éventuelles.
Les éléments porteurs en fonction de leur susceptibilité croissante à la fissuration sont classés en quatre types définis ci-après.
La présence éventuelle de joints dans le gros oeuvre (joints de dilatation et de retrait), par ailleurs nécessaires à la conservation de l'ouvrage, ne modifie en rien cette classification.
TYPE A
Caractérisation :
Elément porteur dont au moins la partie supérieure de la section résistante est réalisée en béton armé coulé en oeuvre de façon continue sur l'ensemble de la surface.
Pour ces éléments, la continuité est réalisée et effective au-dessus de chaque appui intermédiaire dans le cas de plusieurs travées, et un minimum d'encastrement est réalisé sur les appuis de rive.
Exemples d'éléments porteurs de ce type :
-
Les dalles pleines coulées en oeuvre ( figure A.1).
 : Gros oeuvre en maçonnerie des toitures destinées à recevoir un revêtement d'étanchéité/DTU 20.12 (NF P10-203-1) (septembre 1993)/image/fig_AGC_1_250.png)
Figure A.1 Dalles pleines coulées en oeuvre
-
Les dalles confectionnées à partir de prédalles ( figure A.2).
 : Gros oeuvre en maçonnerie des toitures destinées à recevoir un revêtement d'étanchéité/DTU 20.12 (NF P10-203-1) (septembre 1993)/image/fig_AGC_1_251.png)
Figure A.2 Dalles confectionnées à partir de prédalles
-
Les planchers à poutrelles (BA ou BP), entrevous de coffrage et dalle de répartition complète coulée en oeuvre ( figure A.3).
 : Gros oeuvre en maçonnerie des toitures destinées à recevoir un revêtement d'étanchéité/DTU 20.12 (NF P10-203-1) (septembre 1993)/image/fig_AGC_1_252.png)
Figure A.3 Planchers - Poutrelles, entrevous
-
Les planchers à bacs métalliques collaborants ( figure A.4).
 : Gros oeuvre en maçonnerie des toitures destinées à recevoir un revêtement d'étanchéité/DTU 20.12 (NF P10-203-1) (septembre 1993)/image/fig_AGC_1_253.png)
Figure A.4 Planchers à bacs métalliques
Une exception dans ce type :
Les planchers en béton à dalles alvéolées surmontés d'une dalle rapportée collaborante en béton armé coulé en oeuvre sur toute la surface ( figure A.5).
 : Gros oeuvre en maçonnerie des toitures destinées à recevoir un revêtement d'étanchéité/DTU 20.12 (NF P10-203-1) (septembre 1993)/image/fig_AGC_1_254.png)
Figure A.5 Planchers en béton à dalles alvéolées
En effet, ces planchers sont généralement conçus en travées isostatiques indépendantes.
Conséquence : ce cas est classé en type D décrit ci-après, et les zones d'appuis doivent être repérées et matérialisées.
TYPE B
Caractérisation :
Elément porteur constitué d'éléments préfabriqués en béton armé ou précontraint posés jointifs, solidarisés par des armatures noyées dans un béton de liaison coulé en place ( figure A.7).
 : Gros oeuvre en maçonnerie des toitures destinées à recevoir un revêtement d'étanchéité/DTU 20.12 (NF P10-203-1) (septembre 1993)/image/fig_AGC_1_256.png)
Figure A.7 Joint entre deux éléments
Pour ces éléments, les continuités au-dessus d'appuis intermédiaires sont réalisés, ainsi que l'encastrement minimal sur appuis de rive ( figure A.6).
 : Gros oeuvre en maçonnerie des toitures destinées à recevoir un revêtement d'étanchéité/DTU 20.12 (NF P10-203-1) (septembre 1993)/image/fig_AGC_1_255.png)
Figure A.6 Appui
Schéma-type exemple du type B :
TYPE C
Caractérisation :
Elément porteur constitué d'éléments préfabriqués jointifs en matériaux de nature éventuellement différente, solidarisés par des blocages en béton et/ou des chaînages transversaux en béton réalisés in situ ( figure A.8).
 : Gros oeuvre en maçonnerie des toitures destinées à recevoir un revêtement d'étanchéité/DTU 20.12 (NF P10-203-1) (septembre 1993)/image/fig_AGC_1_257.png)
Figure A.8 Planchers à poutrelles et entrevous en béton
Exemples d'éléments porteurs de ce type :
Les planchers à poutrelles (BA ou BP) et entrevous porteurs en béton ou en terre cuite, sans dalle de répartition rapportée en béton coulé in situ.
Dans le cas d'entrevous porteurs en béton, des chaînages transversaux intermédiaires, coulés entre des entrevous borgnes, doivent être réalisés tous les 2 m au plus.
TYPE D
Caractérisation :
Elément porteur réalisé à partir d'éléments préfabriqués en béton armé ou précontraint posés jointifs et solidarisés par des clefs continues en béton.
Les éléments ne sont pas complétés par une dalle rapportée en béton armé, sauf exception visée dans le type A.
Aucune continuité n'est réalisée sur appuis intermédiaires ni aucun encastrement sur appuis de rive.
Les clefs de solidarisation satisfont aux prescriptions ci-après.
Exemples d'éléments porteurs de ce type :
-
Plancher formé de dalles alvéolées préfabriquées en béton armé ou précontraint, sans dalle collaborante rapportée en béton ( figure A.9).
 : Gros oeuvre en maçonnerie des toitures destinées à recevoir un revêtement d'étanchéité/DTU 20.12 (NF P10-203-1) (septembre 1993)/image/fig_AGC_1_258.png)
Figure A.9 Plancher dalles alvéolées
-
Plancher formé d'éléments en T ou en double T ( figure A.10).
 : Gros oeuvre en maçonnerie des toitures destinées à recevoir un revêtement d'étanchéité/DTU 20.12 (NF P10-203-1) (septembre 1993)/image/fig_AGC_1_139.png)
Figure A.10 Plancher formé d'éléments en T ou double T
Solidarisation des éléments porteurs fractionnés jointifs ( figure A.11) :
 : Gros oeuvre en maçonnerie des toitures destinées à recevoir un revêtement d'étanchéité/DTU 20.12 (NF P10-203-1) (septembre 1993)/image/fig_AGC_1_259.png)
Figure A.11 Solidarisation des éléments porteurs fractionnés jointifs
On appelle joint la totalité du béton coulé en oeuvre entre les faces latérales de deux éléments porteurs fractionnés jointifs (dalles alvéolées, par exemple).
On appelle clef la partie du joint qui, par sa forme, permet de solidariser les éléments entre eux, interdisant ainsi tout déplacement vertical relatif (suppression de l'effet dit de « touche de piano »). Les clefs se comportent comme des articulations linéaires transmettant les efforts tangents et normaux de compression transversale dans le plan des éléments porteurs (plancher, par exemple), à l'exclusion des moments de flexion.
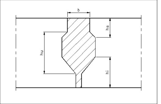
Les schémas qui suivent ( figure A.12) précisent les dimensions utiles des principaux types de forme des joints et des clefs. Les clefs des schémas (a) et (b) ont une forme de noyau ; celle du schéma (c), une forme de queue d'aronde.
 : Gros oeuvre en maçonnerie des toitures destinées à recevoir un revêtement d'étanchéité/DTU 20.12 (NF P10-203-1) (septembre 1993)/image/fig_AGC_1_134.png)
Figure A.12 Principaux types de forme de joints et clefs - Schéma (a)
 : Gros oeuvre en maçonnerie des toitures destinées à recevoir un revêtement d'étanchéité/DTU 20.12 (NF P10-203-1) (septembre 1993)/image/fig_AGC_1_135.png)
Figure A.12 Principaux types de forme de joints et clefs - Schéma (b)
 : Gros oeuvre en maçonnerie des toitures destinées à recevoir un revêtement d'étanchéité/DTU 20.12 (NF P10-203-1) (septembre 1993)/image/fig_AGC_1_136.png)
Figure A.12 Principaux types de forme de joints et clefs - Schéma (c)
Les prescriptions sur la forme sont les suivantes :
Ouverture du joint en partie supérieure : b ≥ 4 cm.
Aire S de la section de clef sur sa hauteur utile « h u » : S ≥ 20 cm².
Il doit être possible de relier les faces d'appui opposées des deux éléments adjacents par des bielles à 45°.
Les becquets ne sont généralement pas armés :
-
Hauteur du becquet supérieur des éléments :
hs ≥ 35,4 mm.
-
Hauteur du becquet inférieur des éléments :
hi ≥ 45 mm.
Vérification du dimensionnement :
Les dimensions minimales précédentes sont suffisantes pour assurer la résistance des joints de planchers de parcs de stationnement pour véhicules dont la charge par essieu n'excède pas 2 t (véhicules légers).
Dans le cas de charge par essieu supérieure à cette valeur (cas des véhicules lourds), le dimensionnement des clefs et des becquets est vérifié selon les indications suivantes :
Les becquets sont vérifiés en flexion dans l'hypothèse d'une bielle prenant appui à leurs extrémités et transmettant la totalité de l'effort. Selon la forme des éléments, il y a également lieu d'en vérifier d'autres parties.
La clef est vérifiée au cisaillement dans sa hauteur utile (h u) c'est-à-dire entre les niveaux supérieur et inférieur de la bielle.
Dans les deux vérifications, la contrainte du béton est prise égale à la moitié de la contrainte de référence (contrainte admissible) de traction.
Dans le cas de charges concentrées ponctuelles appliquées à un élément, on admet que la longueur de joint concernée est égale à la moitié de la portée sans dépasser 10 fois l'épaisseur (h i + h s) de la table.
En outre, lorsque les clefs solidarisent des tables d'éléments en T ou en double T, le calcul des tables doit être effectué en tenant compte des efforts de flexion résultant de la solidarisation transversale du plancher. Pour ces éléments, la condition de largeur de joints concernée, au plus égale à 10 (h i + h s), est limitative.
 : Gros oeuvre en maçonnerie des toitures destinées à recevoir un revêtement d'étanchéité/DTU 20.12 (NF P10-203-1) (septembre 1993)/image/tab_AGC_2_10.png)
Tableau 1 Types d'éléments porteurs en fonction de la destination de la toiture.
On entend par « ensemble de la surface » la surface comprise entre les joints dans le gros oeuvre cités précédemment.