8 Supports d'étanchéité : Ouvrages particuliers
8.1 Généralités
Les ouvrages particuliers comprennent notamment :
les reliefs et retombées,
les noues,
les joints de dilatation de la structure porteuse,
les rives, faîtages simples et égouts,
les chéneaux,
les dispositifs d'évacuation des eaux pluviales,
les traversées de la toiture,
les lanterneaux exutoires de fumée, aérateurs, etc.
8.2 Reliefs
8.2.1 Définition et nature des matériaux
On appelle reliefs les ouvrages émergents sur lesquels l'étanchéité est relevée.
Ils sont solidaires de l'élément porteur des parties courantes.
Ils sont constitués de :
costières en bois ou contreplaqué (voir 8.2.4), éventuellement revêtus de panneaux isolants (voir 8.2.7) ;
costières métalliques (voir 8.2.5), éventuellement revêtues de panneaux isolants (voir 8.2.7) ;
bandes d'équerre métal-bitume (voir 8.2.6).
Les émergences en autres matériaux (maçonnerie,...) ou non solidaires de l'élément porteur doivent être doublées par un relief.
8.2.2 Forme des reliefs
Ils doivent comporter à leur partie supérieure un ouvrage étanche qui écarte l'eau ruisselant sur les éléments placés au-dessus d'eux afin d'éviter l'introduction d'eau derrière le relevé d'étanchéité. La partie du dispositif formant larmier doit présenter un recouvrement d'au moins 0,04 m par rapport à la partie haute du relevé d'étanchéité, et être en saillie de 0,04 m minimum par rapport au support d'étanchéité. Pour les bandes porte-solin et ouvrages rapportés analogues démontables, la saillie peut être limitée à 0,01 m.
Ce type d'ouvrage présente plusieurs inconvénients parmi lesquels figurent :
l'absence d'étanchéité à la neige poudreuse,
les risques de siphonnage en cas de gel ou d'accumulation de neige,
les risques de condensation entre le relief et l'ouvrage adjacent.
8.2.3 Hauteur des reliefs
La hauteur minimale des reliefs revêtus d'étanchéité est de 0,10 m au-dessus de la protection en parties courantes.
Cette hauteur est portée à 0,15 m dans le cas de reliefs situés en bas de rampants de pente ≤ 20 % et 0,25 m dans le cas de pente > 20 %.
La hauteur maximale des reliefs revêtus d'étanchéité dépend de la nature de ceux-ci (voir 8.2.4 à 8.2.6).
8.2.4 Costières en bois ou en contreplaqué
Les costières supports de relevés d'étanchéité peuvent être réalisées en bois massif ou en panneaux de contreplaqué.
-
hauteur totale de la costière ≤ 0,30 m
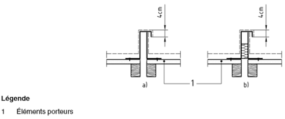
L'épaisseur doit être au moins de 22 mm pour le bois massif et de 19 mm pour le contreplaqué. La fixation se fait sur une pièce de charpente. La hauteur de la costière est au moins égale à 0,15 m (voir figures 13 a) et 13 b)).
 : Toitures en éléments porteurs en bois et panneaux dérivés du bois avec revêtements d'étanchéité/NF DTU 43.4 P1-1 (octobre 2008)/image/fig_ABQT_1_13.png)
Figure 13 Schémas de relief en bois
hauteur totale de la costière comprise entre 0,30 m et 1 m
Les ouvrages de hauteur supérieure à 1 m doivent faire l'objet d'une étude particulière.
La costière sera constituée d'une ossature sur laquelle sera fixé du contreplaqué.
L'épaisseur minimale des panneaux de contreplaqué doit être au moins égale au 1/50 de l'écartement d'axe en axe des supports sans être inférieure à 15 mm.
La costière doit dépasser l'habillage ou l'avancée de toit de 12 mm au moins pour former le larmier.
8.2.5 Costières métalliques
(à l'exception de celles, bordant une trémie recevant des équipements techniques, exutoires, lanterneaux).
Elles sont adossées à un élément rigide (voir figure 14). Elles sont généralement réalisées en acier galvanisé dont la longueur maximale des profilés est de 2 m.
 : Toitures en éléments porteurs en bois et panneaux dérivés du bois avec revêtements d'étanchéité/NF DTU 43.4 P1-1 (octobre 2008)/image/fig_ABQT_1_14.png)
Figure 14 Schéma de costière métallique
Lorsque raccordées à des revêtements bicouches, elles peuvent être réalisées en zinc d'épaisseur minimale de 0,66 mm et de longueur maximale de profilés de 1 m, sous réserve que la hauteur vue soit limitée à 0,20 m. Dans ce cas, les recouvrements peuvent être soudés.
La hauteur totale des costières en acier galvanisé est fonction de leur épaisseur e comme suit :  : Toitures en éléments porteurs en bois et panneaux dérivés du bois avec revêtements d'étanchéité/NF DTU 43.4 P1-1 (octobre 2008)/image/for_ABQT_1_1.png)
Elles doivent présenter une aile horizontale t de largeur minimale 0,10 m. Elles reposent directement sur l'élément porteur. La fixation à l'élément porteur se fait par clouage de l'aile horizontale au moyen de clous, à raison de cinq fixations par mètre en quinconce. La longueur des clous doit être telle qu'ils pénètrent d'au moins 18 mm l'élément porteur.
Ce type d'ouvrage présente plusieurs inconvénients, parmi lesquels figurent :
l'absence d'étanchéité à la neige poudreuse,
les risques de siphonnage en cas de gel ou d'accumulation de neige,
les risques de condensation entre le relief et l'ouvrage adjacent.
La fixation de la costière doit tenir compte de la compatibilité chimique entre élément porteur, costière et fixation.
Il n'est pas nécessaire de s'assurer de cette compatibilité dans le cas d'emploi de panneaux de particules à encollage urée — mélamine.
Les costières doivent se recouvrir entre elles de 0,04 m au moins. Les recouvrements des ailes verticales sont couturés à raison d'une fixation au moins tous les 0,20 m par rivets à expansion en acier d'un diamètre minimal de 4,8 mm, ou vis autoperceuse.
Dans le cas de revêtements asphalte, la longueur des bandes est limitée à 1 m et la couture des ailes verticales doit être effectuée après pose du revêtement d'étanchéité des parties courantes.
L'emploi des costières métalliques n'est pas admis avec revêtement en asphalte lorsque celui-ci, établi sur support en bois ou dérivés du bois, ne reçoit pas de protection meuble.
8.2.6 Bande d'équerre métal-bitume
Voir figure 15.
 : Toitures en éléments porteurs en bois et panneaux dérivés du bois avec revêtements d'étanchéité/NF DTU 43.4 P1-1 (octobre 2008)/image/fig_ABQT_1_15.png)
Figure 15 Schéma de relief en costière bande métal-bitume
Ce type d'ouvrage présente plusieurs inconvénients, parmi lesquels figurent :
l'absence d'étanchéité à la neige poudreuse,
les risques de siphonnage en cas de gel ou d'accumulation de neige,
les risques de condensation entre le relief et l'ouvrage adjacent.
Elle est adossée à un élément continu rigide. Elle se pose en cornière, l'auto-protection aluminium côté support, avec recouvrement de 0,06 m minimum soudé. L'aile horizontale de 0,10 m minimum est clouée sur l'élément porteur tous les 0,10 m en quinconce avec des clous à large tête.
Dans le cas de la terrasse non isolée, le revêtement d'étanchéité de la partie courante est adhérent sur l'aile horizontale. Le relevé est adhérent sur la partie bitume de la chape métal-bitume.
Dans le cas de la terrasse isolée, le pare-vapeur de la partie courante est cloué ou collé sur cette aile horizontale.
Le relevé d'étanchéité est adhérent sur la partie bitume de la bande métal-bitume.
La hauteur totale de la bande métal-bitume est au plus égale à 0,50 m.
La hauteur vue au-dessus de la protection meuble ou de l'autoprotection n'excédera pas 0,20 m.
Dans le cas où la hauteur totale est comprise entre 0,20 m et 0,50 m, le haut de la bande métal-bitume est maintenu en place par des pattes métalliques disposées tous les 0,25 m ou par une bande à rabattre.
8.2.7 Supports de relevés en panneaux isolants
Seuls sont utilisables et en un seul lit les panneaux isolants pouvant recevoir un revêtement d'étanchéité adhérent (suivant les Avis Techniques ou Documents Techniques d'Application 4 correspondants).
Ou équivalent dans les conditions de l'avant-propos.
8.2.7.1 Fixations par collage à l'EAC
(plus fixations mécaniques éventuelles).
8.2.7.1.1 Collage à l'EAC
Sur costières en bois ou en contreplaqué, (voir paragraphe 8.2.4) préalablement revêtues d'une sous-couche clouée en feuille de bitume élastomérique autoprotégée posée avec l'autoprotection côté support ou en feuille de bitume modifié par élastomère SBS type BE 35. Les panneaux sont collés jointifs au moyen d'une couche d'EAC à raison de 1,2 kg/m2 environ.
Sur costières métalliques (voir paragraphe 8.2.5), les panneaux sont collés jointifs au moyen d'une couche d'EAC à raison de 1,2 kg/m2 environ, sur une couche d'EIF.
8.2.7.1.2 Fixations mécaniques complémentaires (voir figure 16)
 : Toitures en éléments porteurs en bois et panneaux dérivés du bois avec revêtements d'étanchéité/NF DTU 43.4 P1-1 (octobre 2008)/image/fig_ABQT_1_16.png)
Figure 16 Répartition des fixations mécaniques complémentaires
Des fixations mécaniques en tête des panneaux isolants sont obligatoires :
dans le cas de reliefs en bois et panneaux par vis, clous et plaquettes métalliques au-dessus de 0,30 m de hauteur ;
dans le cas de reliefs en costières métalliques par vis autoperceuses, rivets à expansion et plaquettes métalliques, quelle que soit la hauteur.
Ces fixations sont disposées à raison de :
deux par panneau de longueur ≤ 0,65 m ;
trois par panneau de longueur comprise entre 0,65 m et 1,30 m.
Elles sont situées à une distance de 0,05 m à 0,10 m du bord des panneaux. Dans le cas de reliefs de hauteur supérieure à 0,60 m, un deuxième rang de fixations mécaniques identiques est mis en oeuvre à mi-hauteur.
8.2.7.2 Fixations mécaniques seules
Voir figures 17.
 : Toitures en éléments porteurs en bois et panneaux dérivés du bois avec revêtements d'étanchéité/NF DTU 43.4 P1-1 (octobre 2008)/image/fig_ABQT_1_17.png)
Figure 17 Répartition des fixations mécaniques seules
Chaque panneau doit être fixé :
-
pour les relevés de hauteur ≤ 0,20 m :
par une fixation à chaque extrémité distante de 0,05 m à 0,10 m des bords,
par des fixations complémentaires alignées entre celles-ci tous les 0,20 m environ.
-
pour les hauteurs comprises entre 0,20 m et 0,60 m :
par une fixation par angle distante de 0,05 m à 0,10 m des bords,
par des fixations complémentaires alignées entre les fixations hautes tous les 0,20 m,
par un même nombre de fixations complémentaires basses réparties ;
-
pour les relevés de hauteur comprise entre 0,60 m et 1 m :
par une fixation par angle distante de 0,05 m à 0,10 m des bords,
par des fixations complémentaires alignées entre les fixations hautes tous les 0,20 m,
par un même nombre de fixations complémentaires basses judicieusement réparties,
par un même nombre de fixations complémentaires intermédiaires réparties entre deux fixations latérales situées à une distance de 0,05 m à 0,10 m des bords.
8.3 Noues
8.3.1 Généralités
La conception de la toiture doit permettre l'exécution des travaux d'étanchéité et la circulation pour l'entretien.
Cette nécessité peut conduire, dans le cas de versants présentant une pente importante, à prévoir des pans coupés permettant la circulation.
Pour la circulation, une largeur minimale de 0,30 m est couramment admise.
Il est généralement possible de mettre en place une fonçure rapportée. Cette disposition crée un volume dont la ventilation obligatoire est difficile à réaliser.
8.3.2 Noues centrales
8.3.2.1 Noues centrales simples (voir figure 18)
 : Toitures en éléments porteurs en bois et panneaux dérivés du bois avec revêtements d'étanchéité/NF DTU 43.4 P1-1 (octobre 2008)/image/fig_ABQT_1_18.png)
Figure 18 Noue centrale simple
L'angle formé par les éléments porteurs est ponté par une bande de 0,30 m de développé de feuille BE 35.
Cette bande est posée face aluminium en dessous et fixée à l'élément porteur par clouage au moyen de clous à large tête à raison d'une fixation tous les 0,20 m en bordure de bande.
8.3.2.2 Noues centrales avec pan coupé (voir figure 19)
 : Toitures en éléments porteurs en bois et panneaux dérivés du bois avec revêtements d'étanchéité/NF DTU 43.4 P1-1 (octobre 2008)/image/fig_ABQT_1_19.png)
Figure 19 Noue centrale avec pan coupé
Le pan coupé est constitué de bois ou panneaux dérivés de bois et mis en oeuvre conformément à l'article 6.
Leur largeur est limitée à 1 m.
Les angles formés par le pan coupé et les versants sont pontés par une bande (voir paragraphe 8.3.2.1).
8.3.2.3 Noues centrales avec fonçures (voir figures 20 et 21)
 : Toitures en éléments porteurs en bois et panneaux dérivés du bois avec revêtements d'étanchéité/NF DTU 43.4 P1-1 (octobre 2008)/image/fig_ABQT_1_20.png)
Figure 20 Noue centrale avec fonçure 0,30 m ≤ largeur ≤ 0,50 m
Figure 21 Noue centrale avec fonçure rapportée
Les fonçures rapportées sont constituées de panneaux de contreplaqué de 10 mm d'épaisseur minimale, aux conditions de l'article 6 (épaisseur, portée, fixations...).
Leur largeur est limitée à 0,50 m.
La ventilation de l'espace ainsi créé est obligatoire.
On peut utiliser la communication avec l'air extérieur par des ouvertures situées en pignon distantes d'au plus 15 m, lorsque les déperditions thermiques ainsi créées sont admissibles. Les dimensions de cet espace doivent être telles que sur toute la longueur de la noue existe une lame d'air continue.
La section en partie courante, en entrée, en sortie, doit être égale au 1/400 (voir figure 20 a)) de la surface de l'élément porteur délimitant le volume à ventiler et en contact avec le local couvert.
Il est admis d'en réduire la valeur au droit d'obstacles ponctuels (passage EP par exemple) sans qu'elle puisse être inférieure à 1/800 (voir figure 20 b)) la hauteur minimale de la lame d'air est d'au moins 0,06 m, y compris au droit des obstacles ponctuels.
D'une façon générale, l'efficacité de la ventilation de cet espace n'est pas certaine. La noue avec fonçure rapportée ne se justifie donc que lorsque l'angle formé par les deux versants est très aigu ou lorsque la pente des versants rend difficile l'exécution des travaux d'étanchéité.
Dans le cas de la toiture chaude isolée ou non, les noues centrales avec fonçures rapportées reçoivent un isolant d'au moins 0,05 m d'épaisseur. Cet isolant devra être posé suivant son Avis Technique ou Document Technique d'Application 5) correspondant et permettre l'application des revêtements d'étanchéité en système adhérent (figures 21 a) et 21 c)).
Ou équivalent dans les conditions de l'avant-propos.
8.3.3 Noues de rive avec costières bois ou contreplaqué
8.3.3.1 Noues de rive simple (voir figure 22)
 : Toitures en éléments porteurs en bois et panneaux dérivés du bois avec revêtements d'étanchéité/NF DTU 43.4 P1-1 (octobre 2008)/image/fig_ABQT_1_22.png)
Figure 22 Noue de rive simple
L'angle formé par la costière et l'élément porteur des parties courantes est ponté par une bande (voir paragraphe 8.3.2.1).
8.3.3.2 Noues de rive avec pan coupé (voir figure 23)
 : Toitures en éléments porteurs en bois et panneaux dérivés du bois avec revêtements d'étanchéité/NF DTU 43.4 P1-1 (octobre 2008)/image/fig_ABQT_1_23.png)
Figure 23 Noue de rive avec pan coupé
Les mêmes prescriptions qu'au paragraphe 8.3.2.2 sont à respecter.
8.3.3.3 Noues de rives avec fonçure (voir figure 24)
 : Toitures en éléments porteurs en bois et panneaux dérivés du bois avec revêtements d'étanchéité/NF DTU 43.4 P1-1 (octobre 2008)/image/fig_ABQT_1_24.png)
Figure 24 Noue de rive avec fonçure
Les mêmes prescriptions qu'au paragraphe 8.3.2.3 sont à respecter : constitution de la fonçure, largeur maximale, pontage des angles, ventilation de l'espace ainsi créé, isolation dans le cas de la toiture chaude non isolée.
8.3.4 Noues de rive avec costières métalliques
La costière est réalisée suivant les dispositions du paragraphe 8.2.5. Voir figure 25.
 : Toitures en éléments porteurs en bois et panneaux dérivés du bois avec revêtements d'étanchéité/NF DTU 43.4 P1-1 (octobre 2008)/image/fig_ABQT_1_25.png)
Figure 25 Noue de rive avec costière métallique
8.4 Faîtages — Arêtiers
8.4.1 Cas des joints entre éléments porteurs ≤ 0,01 m (panneaux sciés ou de pente faible par exemple)
L'angle formé par les éléments porteurs est ponté par une bande de bitume élastomérique 35 autoprotégée, de 0,30 m de développé posée face aluminium en dessous et fixée en bordures tous les 0,20 m par clous à large tête.
Ce pontage doit être réalisé avant la mise en place du pare-vapeur ou du revêtement d'étanchéité.
8.4.2 Cas des joints entre éléments porteurs > 0,01 m
Voir figure 26.
 : Toitures en éléments porteurs en bois et panneaux dérivés du bois avec revêtements d'étanchéité/NF DTU 43.4 P1-1 (octobre 2008)/image/fig_ABQT_1_26.png)
Figure 26 Faîtage — Arêtiers : Cas des joints entre éléments porteurs > 0,01 m
L'angle formé par les éléments porteurs est ponté par une bande métallique de 0,25 m de développé en tôle d'acier galvanisé e ≥ 63/100 ou en zinc e ≥ 66/100 fixée en bordures tous les 0,20 m.
Ce pontage doit être réalisé avant la mise en place du pare-vapeur ou du revêtement d'étanchéité.
8.5 Joints de dilatation et de tassement
Les joints plats ne sont pas admis.
Les joints de dilatation sont bordés de part et d'autre de costières qui constituent le support de relevés d'étanchéité.
Ces costières peuvent être réalisées :
-
soit par des éléments porteurs en bois ou contreplaqué, définis au paragraphe 8.2.4 (voir figures 27 a) et 27 b)) ;
 : Toitures en éléments porteurs en bois et panneaux dérivés du bois avec revêtements d'étanchéité/NF DTU 43.4 P1-1 (octobre 2008)/image/fig_ABQT_1_27.png)
Figure 27 Joint de dilatation par costière
soit par des costières métalliques définies au paragraphe 8.2.5 (voir figure 28).
 : Toitures en éléments porteurs en bois et panneaux dérivés du bois avec revêtements d'étanchéité/NF DTU 43.4 P1-1 (octobre 2008)/image/fig_ABQT_1_28.png)
Figure 28 Joint de dilatation par costière métallique
Le recouvrement du joint peut être assuré :
-
dans le cas d'éléments porteurs en bois massif :
soit par un couronnement métallique, fixé sur l'une des deux costières, façonné suivant les prescriptions du cahier des clauses techniques des DTU des Travaux de Couverture (cf. DTU série 40),
-
soit par un dispositif étanche continu ;
NOTE 1Ce dispositif qui relève de la procédure de l'Avis Technique 6 peut exiger un chanfrein des costières.
6)Ou équivalent dans les conditions de l'avant-propos.
-
dans le cas de costières métalliques, par le couronnement de l'une des deux costières qui forme bandeau à larmier sur l'aile verticale de l'autre costière avec retombée de 0,04 m, l'ensemble recevant un revêtement d'étanchéité.
L'espace entre les deux costières peut être laissé vide (cas des toitures froides) ou est garni d'un matériau isolant compressible (par exemple : laine minérale) (cas des toitures chaudes).
NOTE 2Ce dispositif ne permet pas de se prémunir contre :
l'introduction de neige poudreuse,
le risque de siphonnage en cas de gel ou d'accumulation de neige.
8.6 Rives et égouts
8.6.1 Cas des revêtements d'étanchéité avec protection lourde
Les rives doivent être réalisées :
-
soit avec des costières bois ou contreplaqué (voir figure 29),
 : Toitures en éléments porteurs en bois et panneaux dérivés du bois avec revêtements d'étanchéité/NF DTU 43.4 P1-1 (octobre 2008)/image/fig_ABQT_1_29.png)
Figure 29 Rive avec planche de rive
soit avec des costières métalliques (voir paragraphe 8.2.5).
Lorsque la rive basse est traitée en égout, celui-ci est réalisé par une bande métallique prise dans le revêtement d'étanchéité et présentant une retombée (voir paragraphe 9.9).
Dans ce cas, la protection rapportée doit être maintenue par une bande pare-gravier ou dispositif spécialement adapté à cet usage (voir paragraphe 10.6 et figures 30a) et 30 b)).
 : Toitures en éléments porteurs en bois et panneaux dérivés du bois avec revêtements d'étanchéité/NF DTU 43.4 P1-1 (octobre 2008)/image/fig_ABQT_1_30.png)
Figure 30 Rive d'égout avec protection meuble
8.6.2 Cas des revêtements d'étanchéité autoprotégés
Les rives peuvent être réalisées :
soit avec des costières bois ou contreplaqué (voir paragraphe 8.2.4 et voir figure 29),
soit avec des costières métalliques (voir paragraphe 8.2.5),
soit avec une bande métallique prise dans le revêtement d'étanchéité et présentant une retombée (figures 31 a) et 31 b)).
 : Toitures en éléments porteurs en bois et panneaux dérivés du bois avec revêtements d'étanchéité/NF DTU 43.4 P1-1 (octobre 2008)/image/fig_ABQT_1_31.png)
Figure 31 Rives avec autoprotection
Cette dernière disposition convient également pour les rives basses traitées en égout.
8.7 Chéneaux
Seuls sont admis les chéneaux à encorbellement à l'exclusion des chéneaux intérieurs. Les chéneaux peuvent être réalisés :
soit par des éléments métalliques suivant les prescriptions du cahier des clauses techniques des DTU de Travaux de Couverture (voir NF DTU série 40) ;
soit en béton armé (voir NF DTU 20.12 et NF DTU 43.1 (CCT)) ;
soit par des éléments porteurs en bois ou contreplaqué.
Les chéneaux peuvent être revêtus intérieurement de panneaux isolants. On se référera en ce qui concerne la nature au paragraphe 7.3.1 et la fixation au paragraphe 8.2.7.
Lorsque le support du revêtement d'étanchéité des parties courantes est constitué de panneaux isolants, ceux-ci sont butés en bordure de chéneau sur des éléments rigides en bois ou en métal (paragraphe 7.3.3) préalablement fixés sur l'élément porteur avant ou après le pare-vapeur, de hauteur sensiblement égale à l'épaisseur des panneaux isolants. La fixation à l'élément porteur se fait par clous, vis.
8.7.1 Dimensions minimales et maximales
Voir figure 32.
 : Toitures en éléments porteurs en bois et panneaux dérivés du bois avec revêtements d'étanchéité/NF DTU 43.4 P1-1 (octobre 2008)/image/fig_ABQT_1_32.png)
Figure 32 Chéneau extérieur en bois massif ou lamellé-collé
Après réalisation des ouvrages d'isolation thermique et d'étanchéité, la section minimale du chéneau est d'au moins : 200 cm2.
la largeur intérieure du chéneau doit être comprise entre 0,20 m et 1 m ;
la profondeur au point le plus bas est au minimum de 0,10 m pour la rive extérieure, la rive intérieure côté toiture étant supérieure de 0,05 m à ce point ;
la largeur des chéneaux, après réalisation des ouvrages d'isolation thermique éventuelle et d'étanchéité, est au moins égale à sa profondeur maximale.
8.7.2 Section minimale en fonction de la surface des toitures desservies
Détermination de la section des chéneaux en fonction de la surface en plan des toitures desservies et de la pente des conduits.
Le tableau 16 ci-dessous concerne les ouvrages de section rectangulaire. Il a été établi en admettant un débit maximal de 3 l à la minute et par mètre carré. Il indique les sections en centimètres carrés à donner en basse pente.
Pour les chéneaux de section triangulaire, il y a lieu de majorer de 10 % les sections indiquées sur ce tableau.
D'après la nouvelle formule de Bazin relative à l'écoulement de l'eau dans les canaux, en supposant un coefficient de frottement égal à 0,38.
 : Toitures en éléments porteurs en bois et panneaux dérivés du bois avec revêtements d'étanchéité/NF DTU 43.4 P1-1 (octobre 2008)/image/tab_ABQT_1_16.png)
Tableau 16 Section minimale d'un chéneau en fonction de la surface des toitures desservies
8.8 Dispositifs d'évacuation des eaux pluviales
8.8.1 Dispositions générales
Le présent document ne concerne que les ouvrages répondant aux dispositions suivantes :
chaque entrée d'eau intéresse une surface collectée au plus égale à 700 m2 ;
tout point d'une toiture se trouve à moins de 20 m du dispositif de collecte (chéneau, noue) ou des entrées d'eaux pluviales. La distance maximale entre deux descentes dans un chéneau ou noue est de 20 m. L'eau accumulée par l'engorgement d'une descente doit pouvoir s'évacuer par la descente voisine ;
le passage des eaux d'une toiture sur une autre toiture à travers les costières d'un joint de dilatation est interdit ;
les entrées d'eaux pluviales doivent être bordées par un chevêtre dans les cas visés au paragraphe 6.1.2.2.3 ;
-
aucun joint ne devant exister dans l'épaisseur de la toiture ou faux-plafond non démontable, les dispositions prises doivent rendre le joint entre canalisation et moignon aisément visitable.
Lorsqu'il traverse l'élément porteur, le moignon doit déborder la sous-face de 0,15 m.
Lorsqu'il se déverse dans une boîte à eau, l'extrémité du moignon doit présenter un larmier ;
la section du moignon peut rester constante ou se raccorder par un tronc de cône à un moignon cylindrique de section plus petite conformément au tableau du paragraphe 8.8.2.
Ce diamètre est majoré lorsque le nombre des descentes desservant la surface intéressée est inférieur à 3 et qu'il n'y a pas de trop-plein ; les surfaces prises en compte sont celles intéressées par chaque descente.
8.8.2 Tuyaux de descente
Les diamètres des tuyaux de descente évacuant les eaux pluviales en fonction de la surface en plan des combles desservis sont donnés par le tableau 17 ci-après, établi en admettant un débit maximal de 3 l à la minute et par mètre carré de surface de la projection horizontale des parties de toitures desservies (conformément à la NF DTU 60.11).
 : Toitures en éléments porteurs en bois et panneaux dérivés du bois avec revêtements d'étanchéité/NF DTU 43.4 P1-1 (octobre 2008)/image/tab_ABQT_1_17.png)
Tableau 17 Diamètre des tuyaux de descente
La section du moignon peut rester constante ou se raccorder par un tronc de cône à un moignon cylindrique de section plus petite.
Le diamètre minimal des moignons et des descentes pluviales est de 8 cm.
Les diamètres majorés font l'objet des paragraphes 8.8.1 et 8.8.3.2.
8.8.3 Ouvrages d'évacuation des eaux pluviales
8.8.3.2 Trop-pleins (voir figure 45)
Les trop-pleins sont des ouvertures débouchant en façade ou en pignon, de section totale égale au moins à 1,5 fois celle de la plus grosse descente de la noue considérée ; les trop-pleins à évacuation horizontale seront de préférence à section rectangulaire, grand côté horizontal.
Son niveau est fixé à une hauteur intermédiaire entre le point le plus bas du sommet des relevés d'étanchéité et le niveau fixé de la protection du revêtement d'étanchéité au droit de ce point.
Le trop-plein est obligatoire :
dans le cas de descente unique,
à l'une des extrémités des noues et chéneaux.
Toutefois, lorsqu'il est techniquement impossible de mettre des trop-pleins à leur extrémité, il est obligatoire de disposer au moins de deux descentes par noue ou chéneau. Le diamètre de ces évacuations d'eaux pluviales est alors majoré (voir paragraphe 8.8) (les surfaces intéressées sont les surfaces intéressées par chaque descente, voir tableau 12).
8.9 Traversées de toitures et trémies pour équipements
8.9.1 Traversées de toitures
Les traversées doivent se situer hors des noues à plus de 0,50 m du fil d'eau. Une distance minimale de 0,50 m doit exister entre les divers ouvrages en émergence, ainsi qu'entre eux et les acrotères, afin de permettre l'exécution des travaux de raccordement d'étanchéité (voir figure 33 a)).
Les traversées doivent être bordées par un chevêtre dans les cas visés au paragraphe 6.1.2.2.3 (voir figure 33 b)).
 : Toitures en éléments porteurs en bois et panneaux dérivés du bois avec revêtements d'étanchéité/NF DTU 43.4 P1-1 (octobre 2008)/image/fig_ABQT_1_33.png)
Figure 33 Coupes de toitures avec pénétrations
8.9.2 Equipements (tels que lanterneaux, exutoires de fumée, aérateurs, fenêtres de toit)
Il est rappelé que, conformément aux dispositions du paragraphe 6.1.2.2.3, des chevêtres peuvent être nécessaires pour leur mise en oeuvre (voir figure 34).
 : Toitures en éléments porteurs en bois et panneaux dérivés du bois avec revêtements d'étanchéité/NF DTU 43.4 P1-1 (octobre 2008)/image/fig_ABQT_1_34.png)
Figure 34 Disposition des chevêtres
Ces équipements sont fixés :
sur des costières en bois massif conformes au paragraphe 8.2.4 ;
sur des costières métalliques en acier galvanisé conformes au paragraphe 8.2.5 ;
sur des costières préfabriquées en matériaux différents utilisées dans les conditions de l'Avis Technique 7 les concernant (voir figures 35 a) et 35 b)).
Ou équivalent dans les conditions de l'avant-propos.
 : Toitures en éléments porteurs en bois et panneaux dérivés du bois avec revêtements d'étanchéité/NF DTU 43.4 P1-1 (octobre 2008)/image/fig_ABQT_1_35.png)
Figure 35 Exemple de fenêtres de toit
Leur implantation doit respecter les règles indiquées au paragraphe 11.2.