6 Dispositions générales
Les travaux visés dans le présent document ne s'appliquent qu'aux toitures répondant aux conditions ci-après.
6.1 Pentes
Les pentes sont celles indiquées sur les plans. Elles sont réalisées par le gros oeuvre :
soit directement par l'élément porteur ;
soit par une forme de pente rapportée.
6.1.1 Pente des parties courantes
Les pentes admises dépendent de la destination de la toiture : voir tableau 1.
 : Etanchéité des toitures-terrasses et toitures inclinées avec éléments porteurs en maçonnerie en climat de montagne/NF DTU 43.11 P1-1 (avril 2014)/image/tab_AFLP_1_1.png)
Tableau 1 Pentes admises selon la destination de la toiture
L'attention est attirée sur le fait que, par suite des tolérances d'exécution, les toitures de pente inférieure à 2 % peuvent présenter des contre-pentes, flaches et retenues d'eau.
6.1.2 Pente dans les noues, caniveaux
La pente doit être supérieure ou égale à 1 %.
Les noues et caniveaux de pente inférieure ou égale à 2 % peuvent présenter des flaches et retenues d'eau.
6.2 Gros oeuvre
Il est conforme au NF DTU 20.12 P1, en particulier à l'article « Dispositions particulières au gros oeuvre des toitures en climat de montagne ».
Les ouvrages particuliers concernés par le climat de montagne sont définis aux articles 7 et 8 comme indiqué ci-après :
-
les reliefs : 7.2 complété par 8.3.1 ;
Il est rappelé que les acrotères hauts sont isolés thermiquement sur leurs deux faces.
-
les dispositifs de collecte et d'évacuation des eaux pluviales : 7.5 complété par 8.2.2 et 8.3.2 ;
Il est rappelé que les chéneaux ne sont pas admis.
les ouvrages divers saillants : non admis en béton ou mortier de ciment (voir 8.3.3.) ;
les souches : 8.3.4.
La hauteur des reliefs satisfait aux exigences du tableau 23 du présent document.
Les rives sans acrotère, sans débord, prévues au 7.3.3 ne sont pas admises en climat de montagne.
6.2.1 Classification des éléments porteurs
Les éléments porteurs en partie courante sont classés en quatre types (A, B, C, D) selon leur susceptibilité à la fissuration (voir NF DTU 20.12 P1).
6.2.2 Dispositions particulières concernant les éléments porteurs de type D
Il est rappelé que les éléments porteurs de type D sont admis sous réserve qu'ils vérifient les dispositions particulières du NF DTU 20.12 ainsi que, dans le cas des véhicules lourds, celles du NF DTU 23.2 P1-1. Il est rappelé que pour les véhicules lourds, le NF DTU 23.2 P1-1 limite l'usage de tels planchers aux véhicules à charge par essieu inférieure ou égale à 30 kN, à l'exception des véhicules des pompiers en raison du caractère exceptionnel de leurs interventions.
Dans le cas particulier de terrasse accessible aux véhicules avec revêtement autoprotégé en asphalte, les éléments porteurs de type D doivent être complétés par une dalle rapportée adhérente en béton armé.
6.2.3 Disposition du gros oeuvre vis-à-vis des sollicitations d'origine thermique
L'isolation thermique est située au-dessus de l'élément porteur. Les cas particuliers sans isolation sont évoqués dans le NF DTU 20.12.
6.2.4 Formes de pente rapportées et ragréages éventuels
Voir le NF DTU 20.12 Partie 1.
6.2.5 Tolérances du gros oeuvre
Le NF DTU 20.12 définit :
les tolérances de planéité et d'état de surface ;
les tolérances de pente.
Les ouvrages d'étanchéité tels que définis à l'article 1 ne peuvent pas corriger ces tolérances.
Le respect de ces tolérances incombe à l'entreprise de gros oeuvre.
6.2.6 Gros oeuvre des ouvrages particuliers
Les ouvrages particuliers définis dans le NF DTU 20.12 comprennent :
les reliefs ;
les rives sans acrotères avec débord ;
les joints de gros oeuvre ;
les dispositifs de collecte et d'évacuation des eaux pluviales ;
les ouvrages divers tels que pénétrations, balcons, rampes, fosses à arbres, etc.
6.3 Charges à prendre en compte pour les ouvrages d'étanchéité
6.3.1 Charges permanentes
Les charges permanentes sont les poids propres des éléments suivants :
pare-vapeur ;
isolant thermique ;
revêtement d'étanchéité ;
système de fixation rapportée : collage, fixations mécaniques ;
protection, chemins de circulation, etc. ;
mélange de plantation et végétation éventuelle, jardinières rapportées, etc.
Elles comprennent aussi, le cas échéant, le poids des équipements techniques reposant par l'intermédiaire de massifs en béton sur le revêtement d'étanchéité ou sa protection (voir 11.1).
Pour les protections meubles (granulats) et le mélange de plantation, il y a lieu de tenir compte de la saturation en eau possible :
le poids volumique des granulats, saturés d'eau est fixé forfaitairement à 20 kN/m3 ;
le poids volumique du mélange de plantation saturé d'eau est fixé forfaitairement à 21 kN/m3.
6.3.2 Charges climatiques
6.3.2.1 Charges descendantes
Les charges climatiques descendantes sont celles dues à la neige :
la charge de neige est définie dans la norme NF EN 1991-1-3 et son annexe nationale NF EN 1991-1-3/NA ;
pour ce qui concerne le dimensionnement des ouvrages d'étanchéité, seules les charges de neige aux états-limites de service sont retenues.
6.3.2.2 Charges ascendantes
Les charges climatiques ascendantes sont celles dues au vent, à l'état-limite ultime.
6.3.3 Charges d'exploitation
Sauf dispositions plus contraignantes indiquées par les documents particuliers du marché (DPM), les charges d'exploitation à prendre en compte sont indiquées dans la norme NF P 06-111-2, annexe nationale à la NF EN 1991-1-1.
Pour les usages courants, ces charges sont les suivantes :
-
toitures-terrasses inaccessibles : 0,8 kN/m2 sur une aire rectangulaire de 10 m2 pour les pentes inférieures à 15 %.
À partir de 15 %, aucune charge d'exploitation n'est à prendre en compte ;
toitures-terrasses techniques ou zones techniques : 1,5 kN/m2 ;
toitures-terrasses accessibles aux piétons, à usage privé (hors escaliers) : 1,5 kN/m2, escaliers : 2,5 kN/m2 ;
toitures-terrasses accessibles au public : 2,5 à 5,0 kN/m2 selon catégorie de charges ;
toitures-terrasses accessibles aux véhicules légers : 2,3 kN/m2 ;
toitures-terrasses jardins : 1,5 kN/m2 (Pour tenir compte de travaux de réfection qui nécessiteraient un déplacement de la protection lourde, les DPM peuvent indiquer une valeur minimale de 3,0 kN/m2.)
Les charges d'exploitation liées à l'utilisation d'engins de déneigement sont données par les DPM.
6.3.4 Cumul des charges
6.3.4.1 Charges descendantes
La combinaison d'actions appropriées à prendre en compte pour un constituant de la toiture (isolant, revêtement d'étanchéité, protection) est la combinaison caractéristique des états-limites de service, la charge de neige étant l'action variable dominante. C'est la somme :
des charges permanentes ;
de la charge de neige ;
de la charge d'exploitation affectée d'un coefficient 0,7, à l'exception des toitures inaccessibles pour lesquelles la charge d'exploitation n'est pas prise en compte simultanément avec la charge de neige.
Les actions de la neige à prendre en compte pour les cas simples sont données à l'annexe B.
Selon le type de charges transmises, la charge totale à prendre en compte pour un constituant peut ne pas être la même sur toute la toiture. Elle peut être plus forte dans certaines zones localisées (par exemple à l'aplomb de plots, longrines, massifs..., au droit de certaines charges d'exploitation telles que chemins de circulation pour véhicules lourds...).
6.3.4.2 Charges ascendantes
La combinaison d'actions à prendre en compte pour un constituant de la toiture (isolant, revêtement d'étanchéité, protection) est la force résultante de vent diminuée des charges permanentes.
Dans le cas du présent document, il n'y a pas de vérification à faire sous charge ascendante pour les revêtements asphalte et les revêtements à base de feuilles manufacturées sous protection lourde.
Il est rappelé que l'action du vent est limitée par l'article 1 pour les revêtements apparents.
6.4 Émergences et équipements techniques solidaires des éléments porteurs
6.4.1 Implantation
La distance minimale entre ouvrages émergents voisins définie dans le NF DTU 20.12, doit être respectée.
Elle est rappelée dans la figure 1 en fonction de la dimension en vis-à-vis de l'équipement.
Cette prescription découle des exigences de réalisation, d'entretien et de réfection des ouvrages d'étanchéité.
 : Etanchéité des toitures-terrasses et toitures inclinées avec éléments porteurs en maçonnerie en climat de montagne/NF DTU 43.11 P1-1 (avril 2014)/image/fig_AFLP_1_1.png)
Figure 1 Implantation des ouvrages émergents
Dans le cas de pente > 5 %, la longueur des équipements est limitée à 10 m.
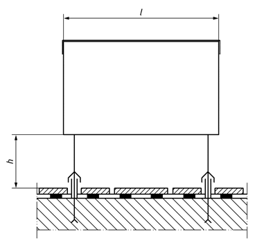
6.4.2 Hauteur libre sous les équipements techniques solidaires des éléments porteurs
Afin de pouvoir effectuer les opérations d'entretien de la toiture et les éventuelles réfections, il est nécessaire de prévoir une hauteur minimale h entre le bas des équipements et la protection du revêtement d'étanchéité des parties courantes.
6.4.2.1 Équipements techniques fixes
Si les équipements sont fixes, cette hauteur dépend du système de supportage des équipements.
6.4.2.1.1 Équipements sur supports ponctuels
La hauteur h est fonction de la largeur l d'encombrement horizontal de ces équipements :
si l ≤ 1,20 m : h > hauteur H définie au tableau 23 ;
si l > 1,20 m : h ≥ 0,80 m.
 : Etanchéité des toitures-terrasses et toitures inclinées avec éléments porteurs en maçonnerie en climat de montagne/NF DTU 43.11 P1-1 (avril 2014)/image/fig_AFLP_1_2.png)
Figure 2 Hauteur minimale libre sous équipement technique fixe sur supports ponctuels
6.4.2.1.2 Équipements sur supports linéaires
La hauteur est fonction de la longueur L d'encombrement horizontal de ces équipements :
si L ≤ 1,20 m : h > hauteur H définie au tableau 23 ;
si L > 1,20 m : h ≥ 0,80 m.
6.4.2.2 Équipements techniques démontables
Si les équipements peuvent être démontés lors de la réfection de l'étanchéité, la hauteur h est supérieure à la hauteur H définie dans le tableau 23.
Si deux équipements distincts sont distants de moins de 0,80 m, ils sont à considérer comme un seul équipement (voir figure 3).
 : Etanchéité des toitures-terrasses et toitures inclinées avec éléments porteurs en maçonnerie en climat de montagne/NF DTU 43.11 P1-1 (avril 2014)/image/fig_AFLP_1_3.png)
Figure 3 Exemple d'équipements techniques considérés comme un seul équipement
6.5 Porte-neige
Les conditions générales d'emploi sont données dans le tableau 2.
 : Etanchéité des toitures-terrasses et toitures inclinées avec éléments porteurs en maçonnerie en climat de montagne/NF DTU 43.11 P1-1 (avril 2014)/image/tab_AFLP_1_2.png)
Tableau 2 Conditions d'emploi des porte-neige
De plus, lorsqu'il existe des dispositifs de désenfumage avec exutoires installés en toiture, un porte-neige est requis.
La conception et l'exécution du porte-neige ne sont pas directement visées par le présent document.
Le FD DTU 43.11 P3 propose des règles de conception et de réalisation de cet ouvrage.